
JAT-750/751/752 Mini Belt Sanders
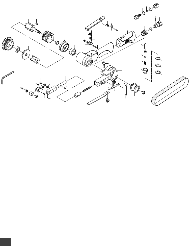
#505750, JAT-750, Mini Belt Sander – exploded view
23
35
16
13
21
15
17
12
19
20
26
24
44
33
34
30
41
37
39
40
32
31
45
36
43
42
25
22
2
53
38
33
14
51
11
9
10
8
6
7
46
5
3
52
50
28
56
49
54
1
55
55
57
54
47
4
48
27
18
58
59
60
61
29
62