Product Manual
Manuals
Brands
Jet Manuals
Lathes
JET ZX Large Spindle Bore Metal Lathe — 22in. x 80in.
51
52
53
54
55
56
57
58
59
60
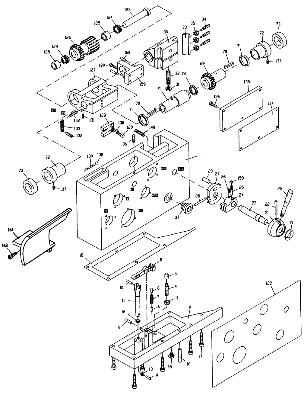
32
Ap
r
o
n
As
s
e
mb
ly
I
1
...
...
50
51
52
53
54
...
...
84