Product Manual
Manuals
Brands
Jet Manuals
Lathes
JET ZX Large Spindle Bore Metal Lathe — 16in. x 40in.
61
62
63
64
65
66
67
68
69
70
46
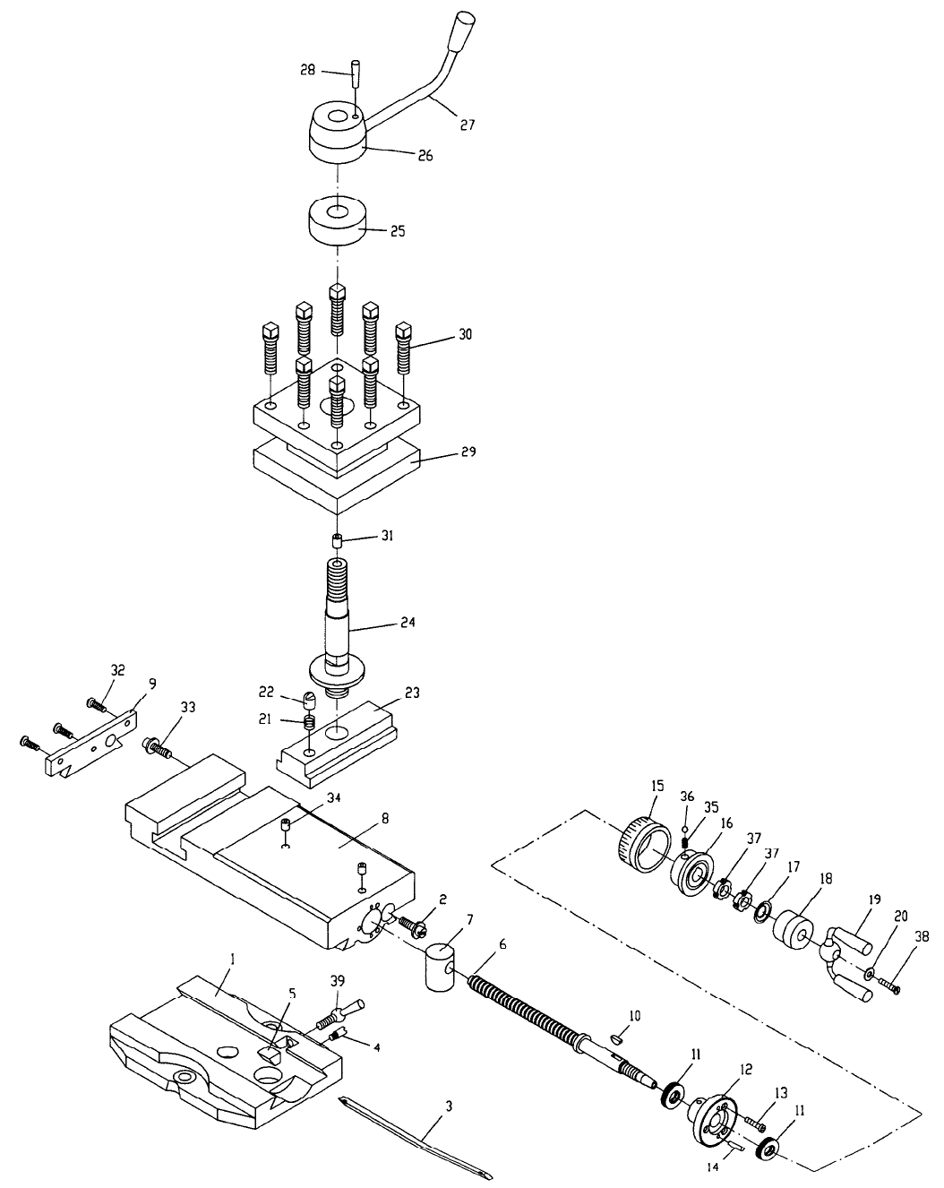
Four W
a
y
T
ool Post
1
...
...
64
65
66
67
68
...
...
84