Wood Lathe Models: JWL-1642EVS and JWL-1642EVS-2 Owner's Manual

28
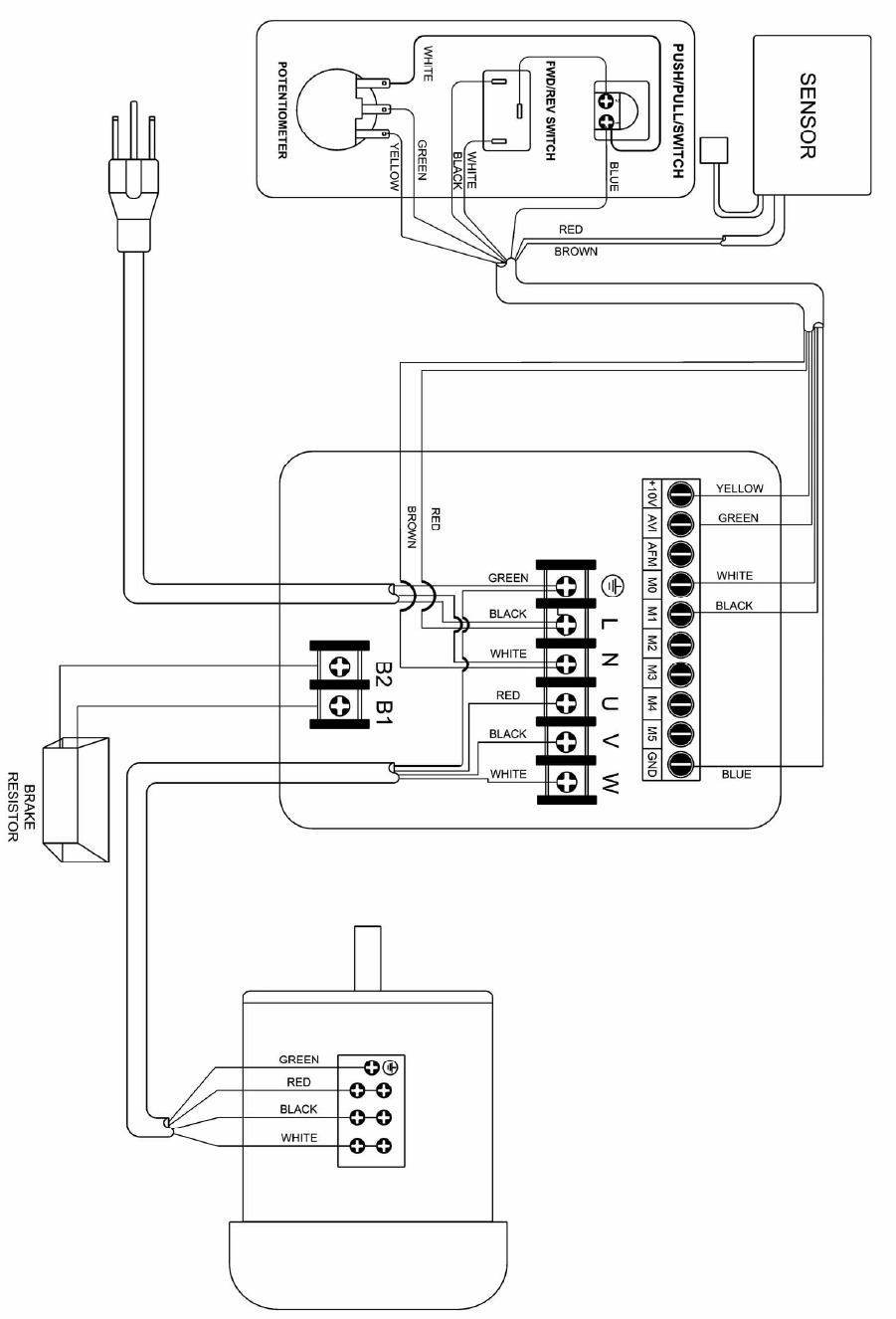
Wiring Diagram for JWL-1642EVS