Installation Guide

17
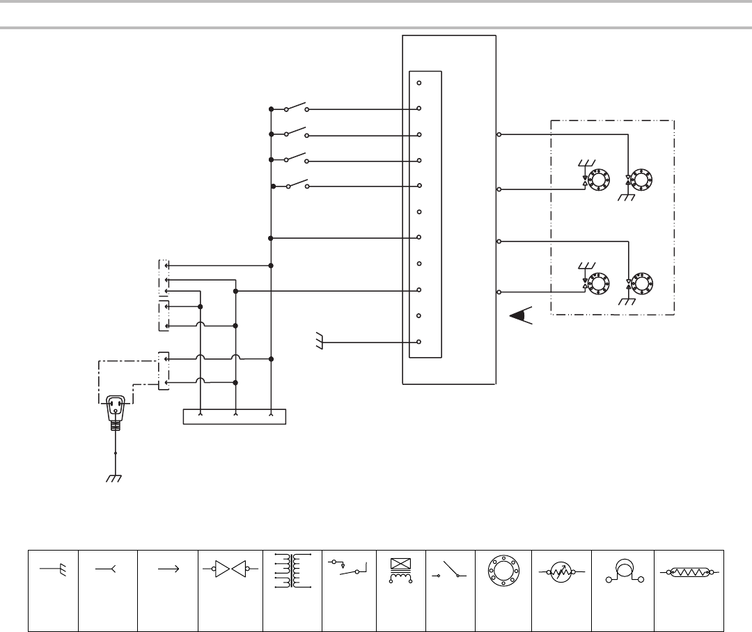
4-Burner Cooktop Reignition Wiring Diagram
Power
Cord
LN
GND
GN
RD
RD
WH
WH
WH
WH
RD
BK
BK
BK
RD
RD
RD
RD
RD
RD
BU
BR
YL
GND
Control Input
Electrodes Output
SW1
SW2
SW3
SW4
L
N
YL
BR
BU
RD
2
1
4
3
Power Cord Only To
Cooktop Stand Alone
Version
Main - Harness
Power Spare
Griddle Spare
Grill Spare
Cooktop
Front View
LEGEND
Ground
(Chassis)
Plug With
Female
Connector
Receptacle
With Male
Connector
Electrode Tr ansformer Relay
Contacts
Solenoid
Valve
Switch Cooktop
Gas Burner
RTD -
Temperature
Sensor
Heating
Element
Indicator Lamp










