User Guide

128-8613a
5 of 12
Page 5
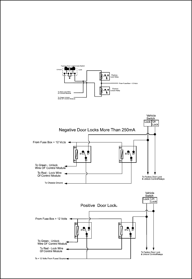
3 Wire Ground Switched Door Lock Circuits:
In this application, the Red wire of the 2 pin harness provides a ground pulse during the arming
sequence, or pulsed ground lock output. Connect the Red wire to the low current ground signal
wire from the factory door lock switch to the factory door lock relay.
The Green wire of the 2 pin harness provides a ground pulse during the disarming sequence, or
pulsed ground unlock output. Connect the Green wire to the low current ground signal wire from
the factory door unlock switch to the factory door unlock relay.
Negative Type Door Lock Circuits