User manual

Strona 4 z 5
Dystrybucja Conrad Electronic Sp. z o.o., ul. Kniaźnina 12, 31-637 Kraków, Polska
Copyright © Conrad Electronic 2012, Kopiowanie, rozpowszechnianie, zmiany bez zgody zabronione.
www.conrad.pl
www.conrad.pl
- Uwaga! Przed instalacją upewnij się, że zarówno wyjście przemiennika jak i zasilanie z sieci 230V AC
nie pozostają pod napięciem i są wyposażone w system blokady bezpieczeństwa w celu
uniemożliwienia przypadkowego uruchomienia urządzenia.
- Instalację przeprowadzać mogą tylko osoby o odpowiednich kalifikacjach. W razie wątpliwości
zawsze skontaktuj się z upoważnionym specjalista.
- Użyj dołączonych zacisków do podłączenia przewodu uziemienia.
Jeśli przemiennik nie ma podłączenia uziemienia zacisk akumulatora podłączony do uziemienia musi
być podłączony do ochronnego przewodu uziemiającego.
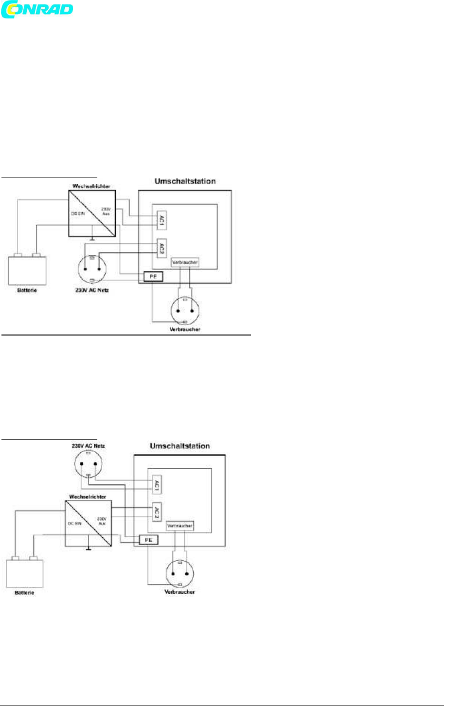
P
odłączenie
wersja
1:
Sieć 230V AC podłączona jest do wejścia AC2 (wyższe pierwszeństwo)
- Tj. akumulator jest pominięty, a przemiennik jest jednocześnie zabezpieczony przed napięciem
zewnętrznym.
- Dopiero, jeśli na AC2 nie ma prądu, wejście AC1 przełącza się na zasilanie z akumulatora i
przemiennika.
P
odłączenie
wersja
2:
Przemiennik jest podłączony do wejścia AC2 (wyższe pierwszeństwo).
- TJ. zasilanie dostarczane jest głównie z akumulatora przez przemiennik (np. przy użyciu
samodzielnych systemów słonecznych).
- Dopiero po wyłączeniu przemiennika wskutek zabezpieczenia przed głębokim rozładowanie,.
Urządzenie przełącza się na sieć 230V AC a pomocą wejścia AC1.





