Datasheet

IRFP3206PbF
8 www.irf.com
Data and specifications subject to change without notice.
This product has been designed and qualified for the Industrial market.
Qualification Standards can be found on IR’s Web site.
IR WORLD HEADQUARTERS: 233 Kansas St., El Segundo, California 90245, USA Tel: (310) 252-7105
TAC Fax: (310) 252-7903
Visit us at www.irf.com for sales contact information. 03/08
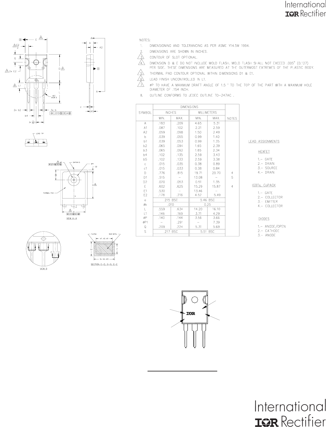
TO-247AC packages are not recommended for Surface Mount Application.
Note: For the most current drawing please refer to IR website at http://www.irf.com/package/
TO-247AC Part Marking Information
TO-247AC Package Outline
Dimensions are shown in millimeters (inches)
LINE H
INTERNATIONAL
LOGO
RECTIFIER
ASSEMBLY
56 57
IRFPE30
135H
YEAR 1 = 2001
DAT E CODE
PART NUMBER
indi cates "L ead- F ree"
WEEK 35
LOT CODE
IN THE AS S EMBLY LINE "H"
ASS EMBLED ON WW 35, 2001
Note: "P" in assembly line pos ition
EXAMPLE:
WITH ASSEMBLY
THIS IS AN IRFPE30
LOT CODE 5657








