Datasheet

IRFH5306PbF
8 www.irf.com
Qualification standards can be found at International Rectifier’s web site
http://www.irf.com/product-info/reliability
Higher qualification ratings may be available should the user have such requirements.
Please contact your International Rectifier sales representative for further information:
http://www.irf.com/whoto-call/salesrep/
Applicable version of JEDEC standard at the time of product release.
Notes:
Repetitive rating; pulse width limited by max. junction temperature.
Starting T
J
= 25°C, L = 0.41mH, R
G
= 25Ω, I
AS
= 15A.
Pulse width ≤ 400μs; duty cycle ≤ 2%.
R
θ
is measured at T
J
of approximately 90°C.
When mounted on 1 inch square 2 oz copper pad on 1.5x1.5 in. board of FR-4 material.
IR WORLD HEADQUARTERS: 233 Kansas St., El Segundo, California 90245, USA Tel: (310) 252-7105
TAC Fax: (310) 252-7903
Visit us at www.irf.com for sales contact information.10/2009
Data and specifications subject to change without notice.
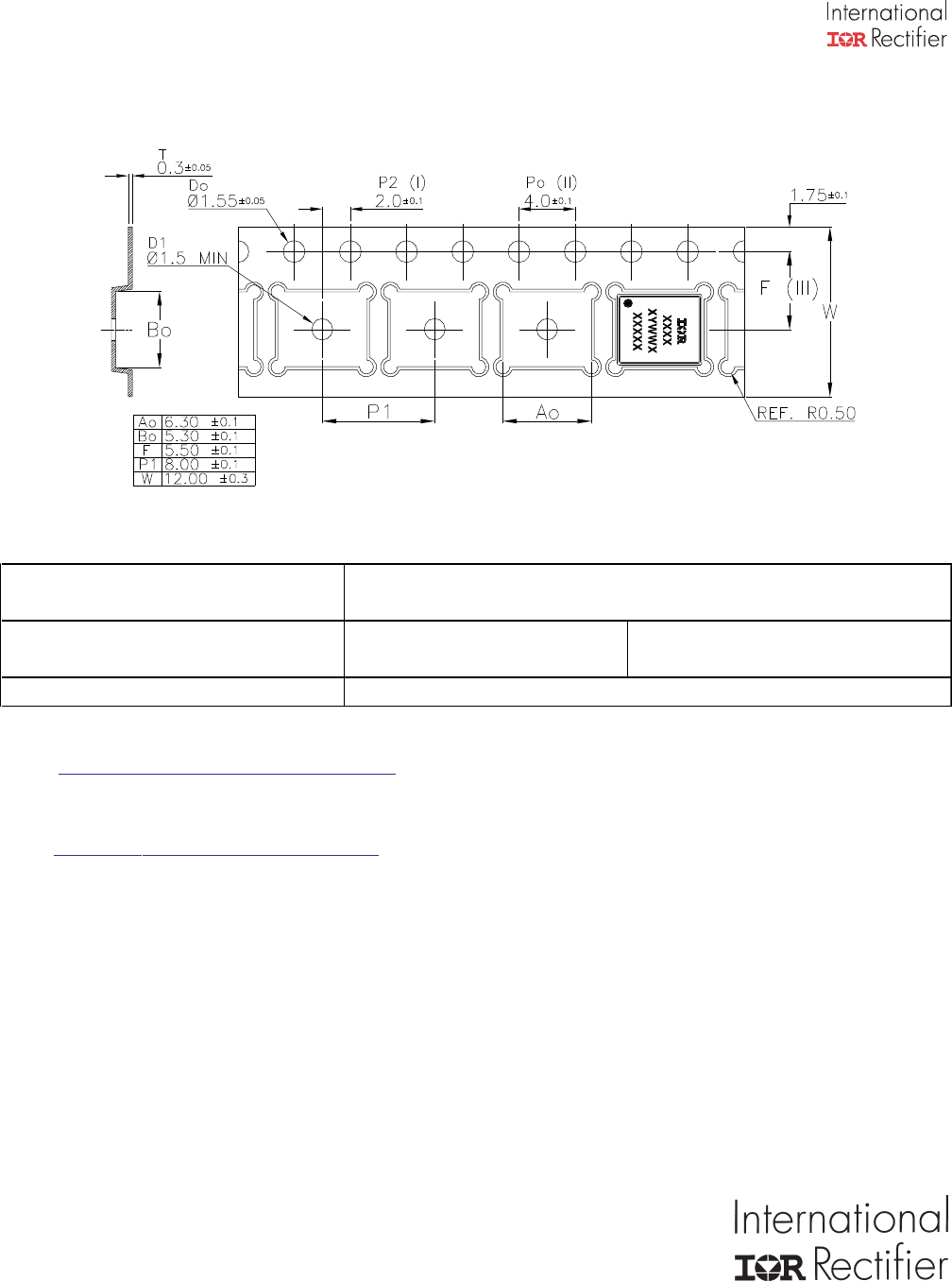
PQFN 5x6 Outline "B" Tape and Reel
MS L 1
(per JE DE C J-S TD-020D
†††
)
RoHS compliant Yes
PQFN 5mm x 6mm
Qualification information
†
Moisture Sensitivity Level
Qualification level
Indus trial
††
(per JE DE C JE S D47F
†††
guidelines )








