Datasheet
Manuals
Brands
INFINEON TECHNOLOGIES Manuals
FETs
IRF7204PBF, MOSFET
1
2
3
4
5
6
7
8
9
IRF7204PbF
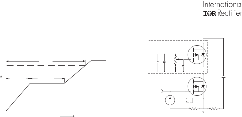
Fig
12b.
Gate
Charge
Test
Circuit
Fig
12a.
Basic
Gate
Charge
Waveform
Q
G
Q
GS
Q
GD
V
G
Charge
-10V
D.U.T
.
V
DS
I
D
I
G
-3mA
V
GS
.3
µ
F
50K
Ω
.2
µ
F
12V
Current
Regulator
Same
Type
as
D.U.T
.
Current
Sampling
Resistors
+
-
1
...
...
4
5
6
7
8
...
9