Datasheet
Manuals
Brands
INFINEON TECHNOLOGIES Manuals
FETs
IRF5803TRPBF, MOSFET
1
2
3
4
5
6
7
8
9
IRF5803PbF
8
www.irf.com
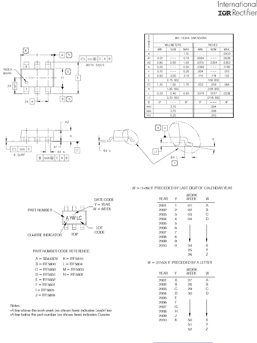
TSOP-6
Package
Outline
TSOP-6
Part
Marking
Information
Note: For the most current drawing please refer to IR website at:
http://www.irf.com/package/
1
...
...
6
7
8
9