Datasheet

IRF540Z/S/LPbF
10 www.irf.com
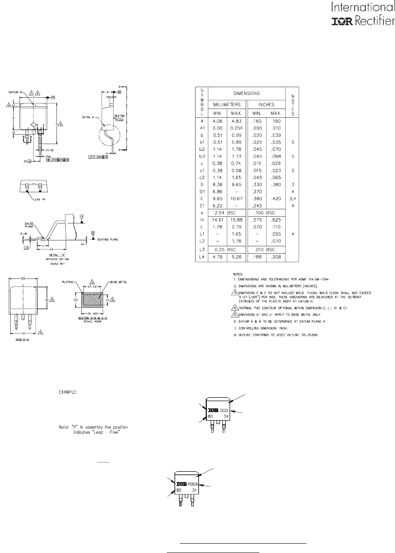
D
2
Pak (TO-263AB) Part Marking Information
D
2
Pak (TO-263AB) Package Outline
Dimensions are shown in millimeters (inches)
DATE CODE
YEAR 0 = 2000
WEE K 02
A = AS S E MB L Y S IT E CODE
RE CT IF IER
INTE RNAT IONAL
PART NUMBER
P = DESIGNATES LEAD - FREE
PRODUCT (OPTIONAL)
F530S
IN THE AS S EMBLY LINE "L"
AS S E MB L E D ON WW 02 , 20 0 0
THIS IS AN IRF530S WITH
LOT CODE 8024
INT ERNAT IONAL
LOGO
RE CT IF IER
LOT CODE
AS S E M B L Y
YEAR 0 = 2000
PART NUMBER
DAT E CODE
LINE L
WEEK 02
OR
F530S
LOGO
AS S E M B L Y
LOT CODE
Notes:
1. For an Automotive Qualified version of this part please seehttp://www.irf.com/product-info/auto/
2. For the most current drawing please refer to IR website at http://www.irf.com/package/










