Datasheet

IRF540Z/S/LPbF
www.irf.com 9
TO-220AB package is not recommended for Surface Mount Application
TO-220AB Part Marking Information
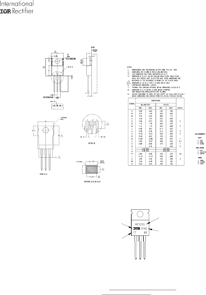
TO-220AB Package Outline
Dimensions are shown in millimeters (inches)
INTERNATIONAL
PART NUMBER
RECTIFIER
LOT CODE
ASSEMBLY
LOGO
YEAR 0 = 2000
DAT E CODE
WEEK 19
LINE C
LOT CODE 1789
EXAMPLE: T HIS IS AN IRF1010
Note: "P" in assembly line position
indicates "L ead - F ree"
IN THE ASSEMBLY LINE "C"
AS S E MBLED ON WW 19, 2000
Notes:
1. For an Automotive Qualified version of this part please seehttp://www.irf.com/product-info/auto/
2. For the most current drawing please refer to IR website at http://www.irf.com/package/










