Datasheet

Data Sheet BTS50085-1TMA
Infineon Technologies AG Page 9 2008-Jan-24
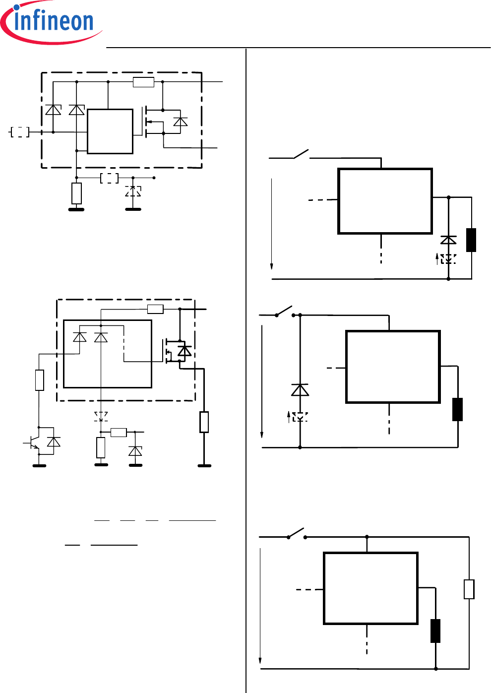
Over voltage protection of logic part
+ V
bb
V
OUT
IN
bb
R
Signal GND
Logic
PROFET
V
Z,IS
R
IS
IN
R
IS
V
Z,IN
R
V
V
Z,VIS
R
bb
= 120 Ω typ., V
Z,IN
= V
Z,IS
= 74 V typ., R
IS
= 1 kΩ
nominal. Note that when over voltage exceeds 79 V typ.
a voltage above 5V can occur between IS and GND, if
R
V
, V
Z,VIS
are not used.
Reverse battery protection
Logic
IS
IN
IS
R
V
R
OUT
L
R
Power GND
Signal GND
V
bb
-
Power
Transistor
IN
R
bb
R
D
S
D
R
V
≥ 1 kΩ, R
IS
= 1 kΩ nominal. Add R
IN
for reverse
battery protection in applications with V
bb
above 16V
18)
;
recommended value:
1
R
IN
+
1
R
IS
+
1
R
V
=
0.1A
|V
bb
| - 12V
if D
S
is not used (or
1
R
IN
=
0.1A
|V
bb
| - 12V
if D
S
is used).
To minimize power dissipation at reverse battery
operation, the overall current into the IN and IS pin
should be about 120mA. The current can be provided
by using a small signal diode D in parallel to the input
switch, by using a MOSFET input switch or by proper
adjusting the current through R
IS
and
R
V
.
V
bb
disconnect with energized inductive
load
Provide a current path with load current capability by
using a diode, a Z-diode, or a varistor. (V
ZL
< 70 V or
V
Zb
< 42 V if R
IN
=0). For higher clamp voltages
currents at IN and IS have to be limited to
250 mA.
Version a:
PROFET
V
IN
OUT
IS
bb
V
bb
V
ZL
Version b:
PROFET
V
IN
OUT
IS
bb
V
bb
V
Zb
Note that there is no reverse battery protection when
using a diode without additional Z-diode V
ZL
, V
Zb
.
Version c: Sometimes a necessary voltage clamp is
given by non inductive loads R
L
connected to the same
switch and eliminates the need of clamping circuit:
PROFET
V
IN
OUT
IS
bb
V
bb
R
L










