Datasheet

Data Sheet BTS50085-1TMA
Infineon Technologies AG Page 8 2008-Jan-24
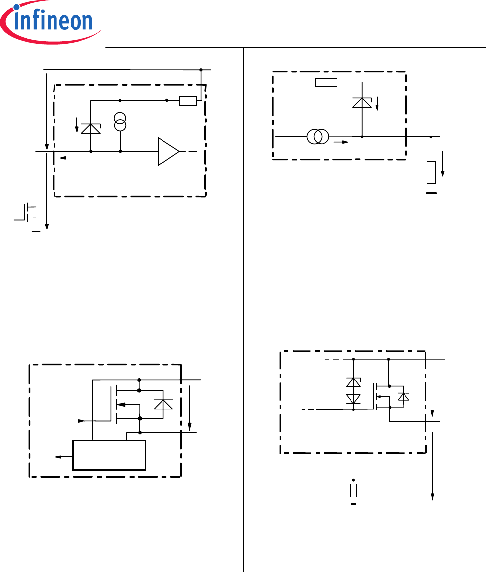
Input circuit (ESD protection)
IN
ZD
IN
I
V
bb
R
bb
V
Z,IN
V
bIN
V
IN
When the device is switched off (I
IN
= 0) the voltage
between IN and GND reaches almost V
bb
. Use a
bipolar or MOS transistor with appropriate breakdown
voltage as driver.
V
Z,IN
= 74 V (typ).
Short circuit detection
Fault Condition: V
ON
> V
ON(SC)
(6 V typ.) and t> t
d(SC)
(80 ...300 µs).
Short circuit
detection
Logic
unit
+ V
bb
OUT
V
ON
Current sense status output
IS
IS
R
IS
I
ZD
IS
V
bb
V
bb
R
Z,IS
V
V
Z,IS
= 74 V (typ.), R
IS
= 1 kΩ nominal (or 1 kΩ /n, if n
devices are connected in parallel). I
S
= I
L
/k
ilis
can be
driven only by the internal circuit as long as V
out
- V
IS
>
5 V. If you want measure load currents up to I
L(M)
, R
IS
should be less than
V
bb
- 5 V
I
L(M)
/ K
ilis
.
Note: For large values of R
IS
the voltage V
IS
can reach
almost V
bb
. See also over voltage protection.
If you don't use the current sense output in your
application, you can leave it open.
Inductive and over voltage output clamp
+ V
bb
OUT
PROFET
V
Z1
V
ON
IS
V
OUT
V
ON
is clamped to V
ON(Cl)
= 62 V typ










