Datasheet
Table Of Contents

Data sheet 9 Rev. 1.21, 2012-12-06
BTS441RG
Terms
-.
#$
,
#$
#
,)
"
.
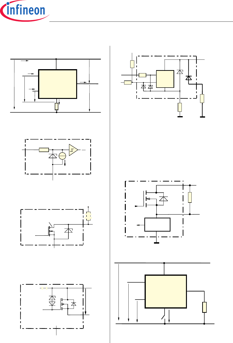
Input circuit (ESD protection)
.
( /0
The use of ESD zener diodes as voltage clamp at DC
conditions is not recommended.
Status output
( /
0
*"
.
%#&
ESD-Zener diode: 6.1 V typ., max 5.0 mA; R
ST(ON)
< 375 Ω
at 1.6 mA, ESD zener diodes are not to be used as voltage
clamp at DC conditions. Operation in this mode may resul
t in
a drift of
the zener voltage (increase of up to 1 V).
Inductive and overvoltage output clamp
*
#$
1.#2(
0
#
V
ON
clamped to 47 V typ.
Overvolt. and reverse batt. protection
*
.
.
1.#2(
0
.
0
,
,
.
#$
.
*"
V
Z1
= 6.1 V typ., V
Z2
= 47 V typ., R
GND
= 150 Ω,
R
ST
= 15 kΩ, R
I
= 3.5 kΩ typ.
In case of reverse battery the load current has to be
limited by the load. Temperature protection is not
active
Open-load detection
OFF-state diagnostic condition:
Open Load, if V
OUT
> 3 V typ.; IN low
,
!
#$
#22
.
(3
GND disconnect
-.
#$
Any kind of load. In case of Input=high is V
OUT
≈ V
IN
- V
IN(T+)
.










