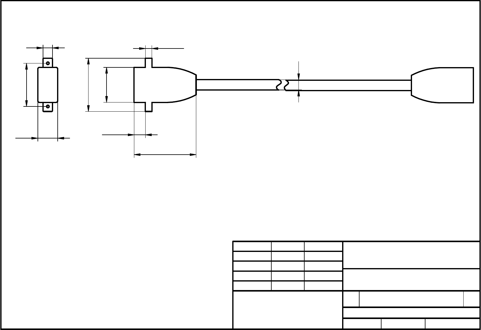
Datasheet

DRAWN
CHECKED
ENG APPR
MGR APPR
UNLESS OTHERWISE SPECIFIED
DIMENSIONS ARE IN MILLIMETERS
ANGLES ±X.X°
2 PL ±X.XX 3 PL ±X.XXX
NAME DATE
in-akustik
0090202025
Premium HDMI Doppelkupplung + Kabel 250mm
SIZE
A4
DWG NO REV
FILE NAME: Prem_HDMI-Doppelkupplung_KP_250mm.dft
SCALE: WEIGHT:
SHEET 1 OF 1
20,3
30,8
3,8
6,5
35,8
25
6
11,5
5,5

