Instruction Manual

5-51
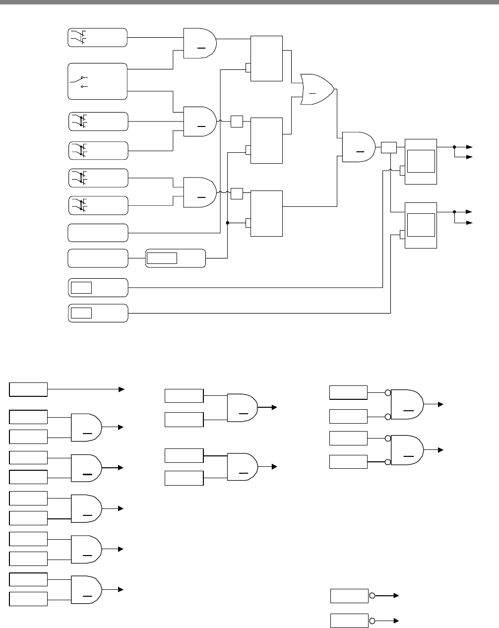
Logic circuit (Logic 6)
Safety input
1
T0, X0, X1
Teach Mode
Auto Mode
S2
S1
Y0
ホールド
EDM
安全出力
(オフディ
レータイマ
付)
ホールド
EDM
安全出力
(オフディレー
タイマ付)
Y1
Y2
Y3
OS1
Safety output 1
Safety output 2
T2, X2, T3, X3
Safety input
2
T4, X4, T5, X5
T6, X6, T7, X7
T12, X12, T13, X13
T10, X10, T11, X11
T14, X14
X1 6
X1 7
Safety input
6
Safety input
5
Safety input
4
Safety input
3
Start input
1
Start input
2
External device
monitor 2
External device
monitor 1
&
&
&
&
>1
Dual Channel
Depende nt
Mode
Selector
Sw itch
Dual Channel
Direct Opening
Dual Channel
Direct Opening
Dual Channel
Direct Opening
Dual Channel
Direct Opening
Single Channel
Monitor
Single Channel
Monitor
External Device
Monitor
EDM
External Device
Monitor
EDM
Hold
Trigger
Self-hold
function
Hold
Trigger
Self-hold
function
Hold
Trigger
Self-hold
function
Hold
EDM
OSSD
with
Off de lay
Hold
EDM
OSSD
with
Off de lay
Control
Start
Control
Self-hold
function circuit 1
Self-hold
function circuit 2
Self-hold
function circuit 3
Note4:
Teach mode:
In Run state, when the safety outputs
are OFF, the solenoid outputs are turned
ON.
(Note4)
Teach mode
Y0,Y1 Y17
Y2,Y3
Y20
OS1
OS1
Y12
Y13
X3
X2
Y5
X5
X4
Y6
X7
X6
Y7
X1 1
X1 0
Y10
X1 3
X1 2
Y11
●Monitor output for safety input ●Monitor output for safety output ●Solenoid output
S1
Y0,Y1
Y17
S1
Y2,Y3
Y20
Y0,Y1
Y2,Y3
Monitor for
safety input 2
Monitor for
safety input 3
Monitor for
safety input 4
Monitor for
safety input 5
Monitor for
safety input 6
Monitor for
safety output 1
Note2:
Monitor outputs for safety output 1 and
2 are turned OFF immediately
independent of set OFF-delay time.
(Note2)
&
&
&
&
&
&
&
&
&
Monitor for
safety output 2
(Note2)
(Note1)
Auto mode
(Note3)
Note1:
When safety input 1 is Auto mode, the
monitor for safety input 1 is turned
OFF.
Note3:
Auto mode:
In Run state, when the safety outputs
are OFF and 1 or more corresponding
safety inputs are OFF, the solenoid
outputs are turned ON.
When all corresponding safety inputs are
ON, the solenoid outputs are turned OFF
without ON signal of the start input.
X0
Y4
Monitor for
safety input 1










