Instruction Manual

5-47
X16
X17
24V DC
X16
X17
24V DC
X16
X17
24V DC
S7
S7
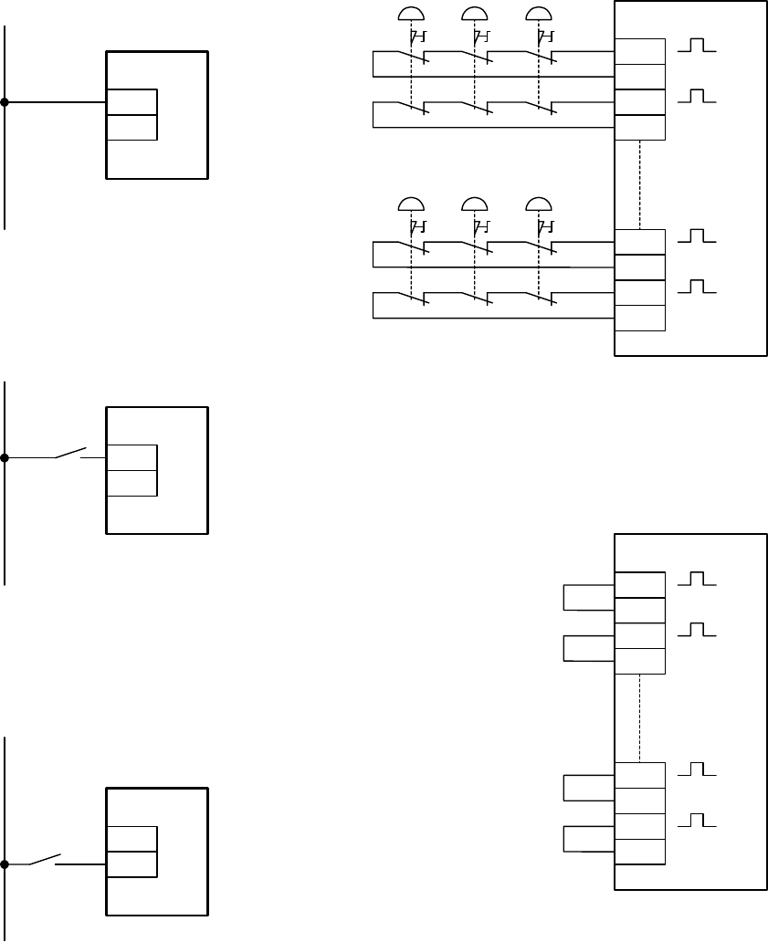
When detecting the welding of start
switch
(Control start)
When not detecting the welding of start
switch
(Manual start)
When not using the start switch
(Auto start)
When connecting multiple emergency stop
switches in series
X0
X1
T0
T1
X12
T12
X13
T13
X0
X1
T0
T1
X12
T12
X13
T13
When not using some safety inputs
NOTE: Applicable safety performance is dependent
upon system configuration.
Note: If using a spring lock type safety switch as the safety input of SafetyOne, if the solenoid output of SafetyOne
is connected to the solenoid power terminal of the safety switch directly, then the start condition cannot be
established due to the safety input being in the OFF state. In this case, connect the switch or other equipment to
the solenoid output of SafetyOne, and perform the OFF operation of the solenoid for lock control.










