Instruction Manual

5-7
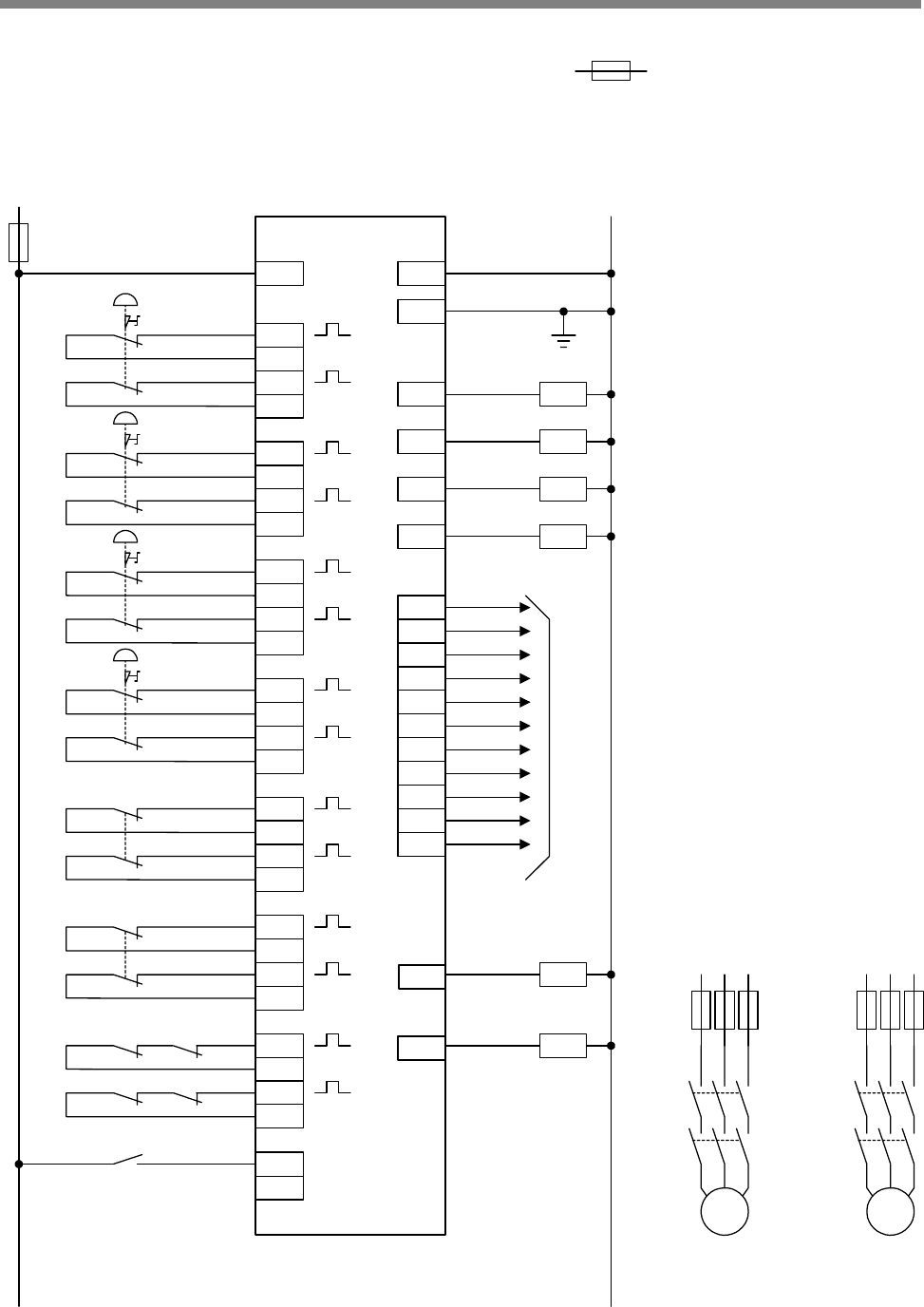
Wiring example (Logic 1)
In the case of 4 emergency stop switches and 2 safety switches with locks are connected.
K1
V+ V-
Y4
Y5
Y6
Y7
Y10
Y11
Y12
Y13
Y14
Y15
Y17
Y20
X0
X1
X2
X3
T0
T1
T2
T3
Y0
Y16
24V DC 0V DC
K2Y1
K3Y2
K4Y3
to PLC
X5
X6
X7
T5
T6
T7
X10
T10
X4
T4
X11
T11
X12
T12
X13
T13
X14
T14
X15
T15
X16
S7
X17
L1
L2
K2
K1
M1
K4
K3
M2
SafetyOne
Fuse
FES1
S2
S3
S4
S5
S6
K1 K2
K3 K4
S1...4 :Emergency stop switch
S5,6 :Safety switch with lock (spring lock type)
S7 :Start switch
K1...4 :Contactor
L1,2 :Solenoid of safety switch for lock release
M1,2 :Motor










