Instruction Manual

2-9
Safety output specifications
Output type Source output (N channel MOSFET)
Rated output voltage Power supply voltage
Minimum voltage Power supply voltage - 2.0V
Number of output terminals 4(Y0, Y1, Y2, Y3)
Point 500mA maximum
Maximum output current
total 1A maximum
Leakage current 0.1mA maximum
Allowable inductive Load
Note1
L/R=25ms
Allowable capacitive load 1uF maximum
Cable length
Note2
100m maximum (total wiring length per 1 output)
Note1. For protection of output circuits, protection devices such as diode should be connected
to output circuits with inductive loads.
Note2. For cables longer than 30m between SafetyOne and connected devices, use grounded
shielded cables to assure electromagnetic compatibility.
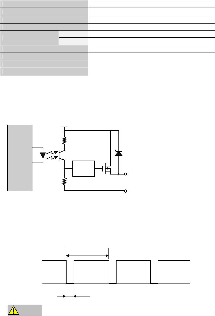
Safety output equivalent circuit
Internal
circuit
Logic
circuit
Y0~Y3
V-
V+
Safety outputs of the SafetyOne are semiconductor outputs. For diagnostics of the shut-off
function, the SafetyOne generates off-pulses in certain intervals when the outputs are in ON
state. The specifications of the safety outputs changes depending on the Logic selected. See
further information in “Chapter 5 LOGIC”. But the basic specifications are same.
Caution
Check the response time of external devices so that they do not correspond to the off pulses.
Monitor and solenoid/lamp outputs do not generate off pulses.
OFF interval:
a
pp
rox. 40ms
OFF time: approx. 400µs
ON
OFF










