Operation Manual
Manuals
Brands
Icom Manuals
Audio
IC-F1610 F2610
11
12
13
14
15
16
17
18
19
20
10
3
CONNECTION AND
INST
ALLA
TION
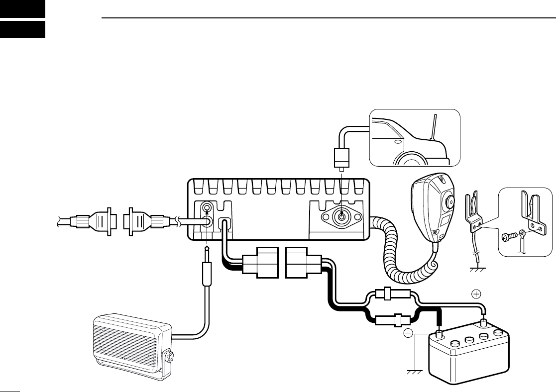
■
Rear panel and connections
Supplied speaker SP-22
(optional for some versions)
¤
⁄
‹
›
fi
12 V
battery
black
red
Optional cable
(OPC-617)
Antenna
Supplied DC
power cable
IC-F1610_F2610.qxd 03.3.7 16:29 Page 10 (1,1)
1
...
...
12
13
14
15
16
...
...
22