Ice Undercounter Series Cubers Service Parts Manual
Manuals
Brands
Ice-O-Matic Manuals
Ice Maker
ICEU206
8
9
10
11
12
13
14
15
16
17
Table Of Contents
Verbage
17 ICEU 150 200 205 206 Cover.pdf
Cover
Blank excel.pdf
Sheet1
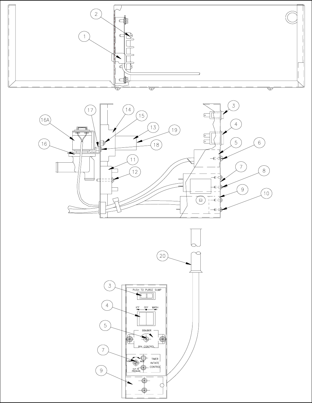
ICE Undercounter Service Parts
Control Box Assembly
Page 10
1
...
...
10
11
12
13
14
...
...
17