Ice Undercounter Series Cubers Service Parts Manual
Manuals
Brands
Ice-O-Matic Manuals
Ice Maker
iceu200
1
2
3
4
5
6
7
8
9
10
Table Of Contents
Verbage
17 ICEU 150 200 205 206 Cover.pdf
Cover
Blank excel.pdf
Sheet1
ICE Undercounter Service Parts
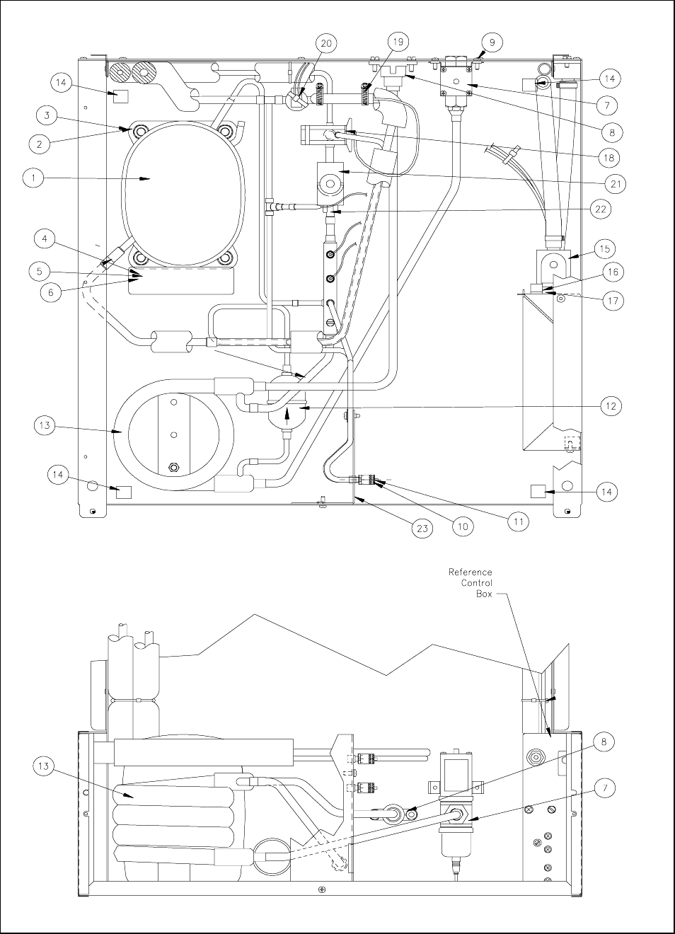
Refrigeration System-Water Cooled
Page 8
1
...
...
8
9
10
11
12
...
...
17