Owner's manual

Table Of Contents
76
4. Electrical Specifications
67
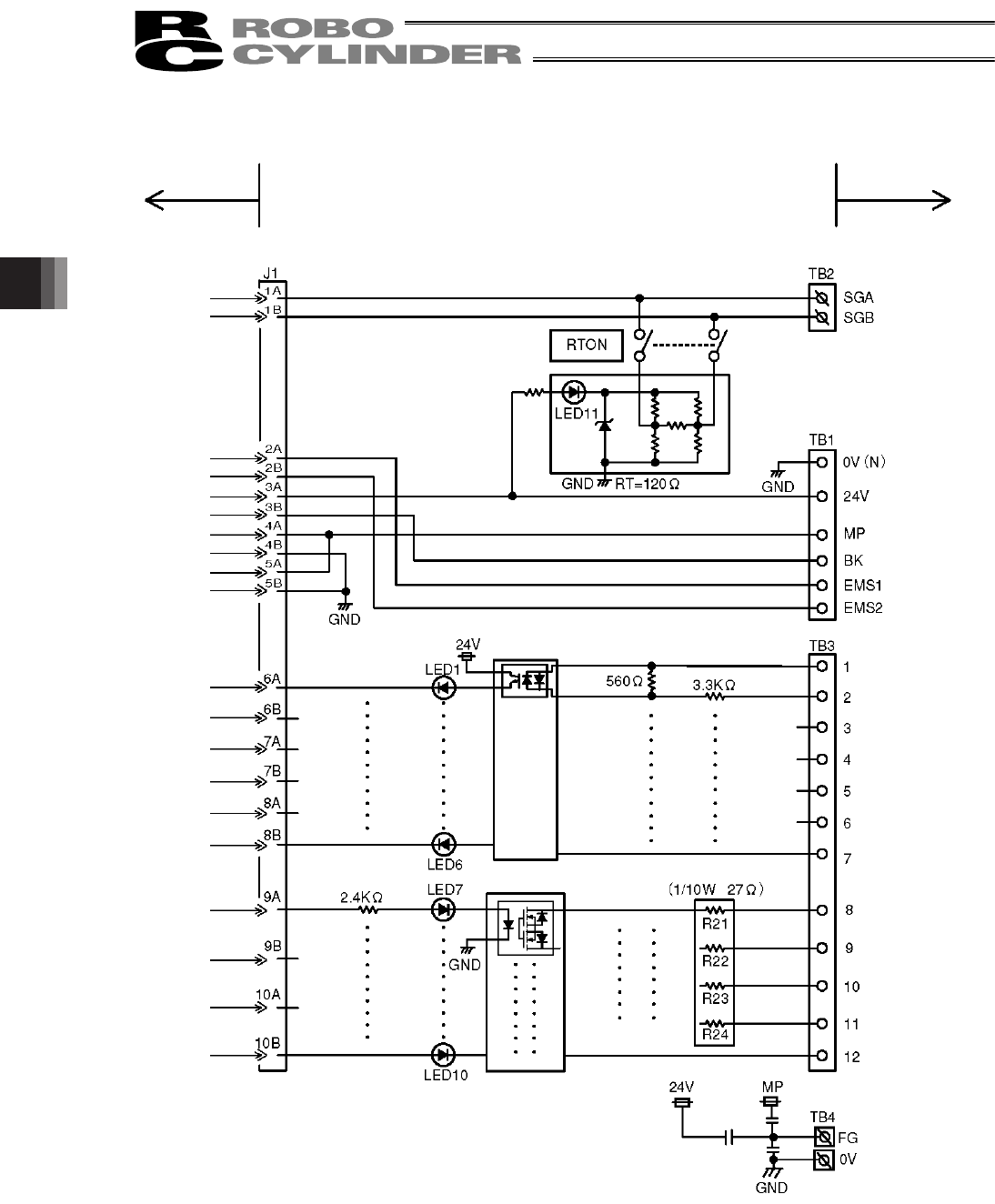
[2] PCB-TU-PIO-AP/BP
Connector
Nonpolar input
photocoupler
6 circuits
Fusing chip resistor
4 circuits
6 circuits
4 circuits
Actuator end
Host system end
Input common
Output common