Owner's manual
Table Of Contents
- Cover
- Please Read Before Use
- CAUTION
- CE Marking
- Table of Contents
- Safety Guide
- Caution in Handling
- 1. Overview
- 2. Installation
- 3. Wiring
- 3.1 Basic Structure
- 3.2 Configuration Using a SIO Converter
- 3.3 Configuration Using an Isolated PIO Terminal Block
- 3.4 Configuration Using Both SIO Converter and Isolated PIO Terminal Block
- 3.5 Specifications of I/O Signals
- 3.6 I/O Signals for PIO Pattern 1 [3 Points] (Air Cylinder)
- 3.7 I/O Signals for PIO Pattern 0 [8 Points]
- 3.8 I/O Signals for PIO Pattern 2 [16 Points] (Setting by Zone BoundaryParameters)
- 3.9 I/O Signals for PIO Pattern 3 [16 Points] (Setting in Zone Fields in thePosition Table)
- 3.10 Emergency-Stop Circuit
- 3.11 Extension Cable
- 4. Electrical Specifications
- 5. Data Entry
- 6. Operation in the “3 Points (Air Cylinder)” Mode
- 7. Operation in the “8 Points” and “16 Points” Modes
- 7.1 How to Start
- 7.2 Position Table and Parameter Settings Required for Operation
- 7.3 How to Execute Home Return
- 7.4 Home Return and Movement after Start (16 Points)
- 7.5 Positioning Mode (Back and Forth Movement between Two Points)
- 7.6 Push & Hold Mode
- 7.7 Speed Change during Movement
- 7.8 Operation at Different Acceleration and Deceleration Settings
- 7.9 Pause
- 7.10 Zone Signal
- 7.11 Incremental Moves
- 7.12 Notes on Incremental Mode
- 8. Parameter Settings
- 9. Troubleshooting
- 10. Maintenance and Inspection
- 11. Appendix
- Change History

44
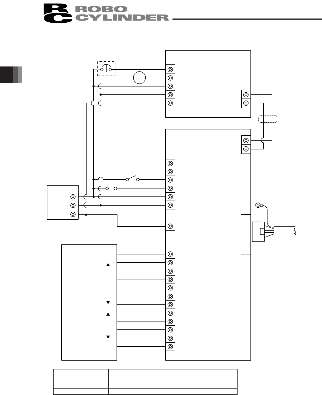
3. Wiring
35
[2] When the control board is of the PNP specification [source type]
[1] Insulate the power
supply
[2] Change to NPN
Input common 0 V 24 V
Output common 24 V 0 V
(Note) To release the brake, connect a switch between the TB1-BK terminal and 24 V and turn on the switch.
MC
60 mA Max
TB2
EMG2
EMG1
24V
0V
FG
TB1
A
B
TB2
A
B
TB1
EMS2
EMS1
BK
MP
24V
0V
TB4
FG
TB3
J1
24V
0V
FG
EMG signal
Input power supply
Host system
<PLC>
MC
(Not used)
Twisted pair
Connect to FG
Extension
cable
Motor drive power supply
Control
p
ower su
pp
l
y
Contact output for EMG
switch on teaching pendant
Insulated PIO terminal block (RCB-TU-PIO-AP/BP)
1
2
3
4
5
6
7
8
9
10
11
12
Output
side
Input
side
Brake release
switch
Output
common
Input
common
SIO converter (RCB-TU-SIO-A/B)
I/O interface
(Refer to 4.3, “Insulated PIO
Terminal Block.”)
(Note)
Relay