Owner's manual
Table Of Contents
- Cover
- Please Read Before Use
- CAUTION
- CE Marking
- Table of Contents
- Safety Guide
- Caution in Handling
- 1. Overview
- 2. Installation
- 3. Wiring
- 3.1 Basic Structure
- 3.2 Configuration Using a SIO Converter
- 3.3 Configuration Using an Isolated PIO Terminal Block
- 3.4 Configuration Using Both SIO Converter and Isolated PIO Terminal Block
- 3.5 Specifications of I/O Signals
- 3.6 I/O Signals for PIO Pattern 1 [3 Points] (Air Cylinder)
- 3.7 I/O Signals for PIO Pattern 0 [8 Points]
- 3.8 I/O Signals for PIO Pattern 2 [16 Points] (Setting by Zone BoundaryParameters)
- 3.9 I/O Signals for PIO Pattern 3 [16 Points] (Setting in Zone Fields in thePosition Table)
- 3.10 Emergency-Stop Circuit
- 3.11 Extension Cable
- 4. Electrical Specifications
- 5. Data Entry
- 6. Operation in the “3 Points (Air Cylinder)” Mode
- 7. Operation in the “8 Points” and “16 Points” Modes
- 7.1 How to Start
- 7.2 Position Table and Parameter Settings Required for Operation
- 7.3 How to Execute Home Return
- 7.4 Home Return and Movement after Start (16 Points)
- 7.5 Positioning Mode (Back and Forth Movement between Two Points)
- 7.6 Push & Hold Mode
- 7.7 Speed Change during Movement
- 7.8 Operation at Different Acceleration and Deceleration Settings
- 7.9 Pause
- 7.10 Zone Signal
- 7.11 Incremental Moves
- 7.12 Notes on Incremental Mode
- 8. Parameter Settings
- 9. Troubleshooting
- 10. Maintenance and Inspection
- 11. Appendix
- Change History

36
3. Wiring
27
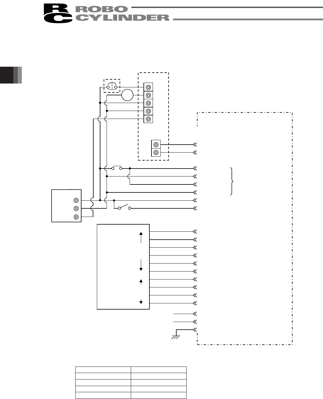
[2] When the control board is of the PNP specification [source type]
* In the case of a robot cable, the wire colors change as follows.
Wire color Pin number
Gray (Red 1) 2A
Gray (Black 1) 2B
Gray (Red 2) 7A
Gray (Black 2) 7B
(Note) To release the brake, connect a switch between BKR and 24 V and turn on the switch.
MC
EMG2
EMG1
24V
0V
FG
TB2
60 mA
MAX
A
B
Orange (Red 1)
Orange (Black 1)
1A SGA
1B SGB
Yellow (Red 1)
Yellow (Black 1)
Pink (Red 1)
Pink (Black 1)
White (Red 1)
White (Black 1)
4A MPI
4B GND
5A MPI
5B GND
3A 24V
3B BKR
24V
0V
FG
Orange (Red 2)
Orange (Black 2)
*Light blue (Red 2)
*Light blue (Black 2)
White (Red 2)
White (Black 2)
Yellow (Red 2)
Yellow (Black 2)
Pink (Red 2)
Pink (Black 2)
6A
6B
7A
7B
8A
8B
9A
9B
10A
10B
*Light blue (Red 1)
*Light blue (Black 1)
2A EMS1
2B EMS2
FG
MC
Input power supply
Host system
<PLC>
Output
side
EMG signal
Contact output for EMG switch on
teaching pendant
SIO converter (RCB-TU-SIO-A/B)
ERC2 actuator
Serial communication
Motor drive power supply
Control power supply
CN1
Drain wire
TB1
(Not used)
I/O interface
(Refer to the I/O connections for
each PIO pattern)
Brake release
switch
(Note)
Relay
Input
side