Replacement Part List
Manuals
Brands
Hustler Manuals
Outdoors
Raptor 60 in. 24 HP Kawasaki V-Twin Hydrostatic Zero-Turn Mower
31
32
33
34
35
36
37
38
39
40
Table Of Contents
Hustler® Raptor SD
Table of Contents
General Information
Service Literature
Options Available From Your Dealer
Using This Manual
Hardware Description Codes & Abbreviations
Standard Torques
Section 2
Frame
Fenders & Instrument Panel
Engine Guard
Battery
Section 3
Hydraulic System
Transmission Assembly
Transmission Service Parts
Steering & Brake
Steering Cover Assembly
Section 4
Wheel & Tire
Front Tire Breakdown—Smooth
Drive Wheel Breakdown
Section 5
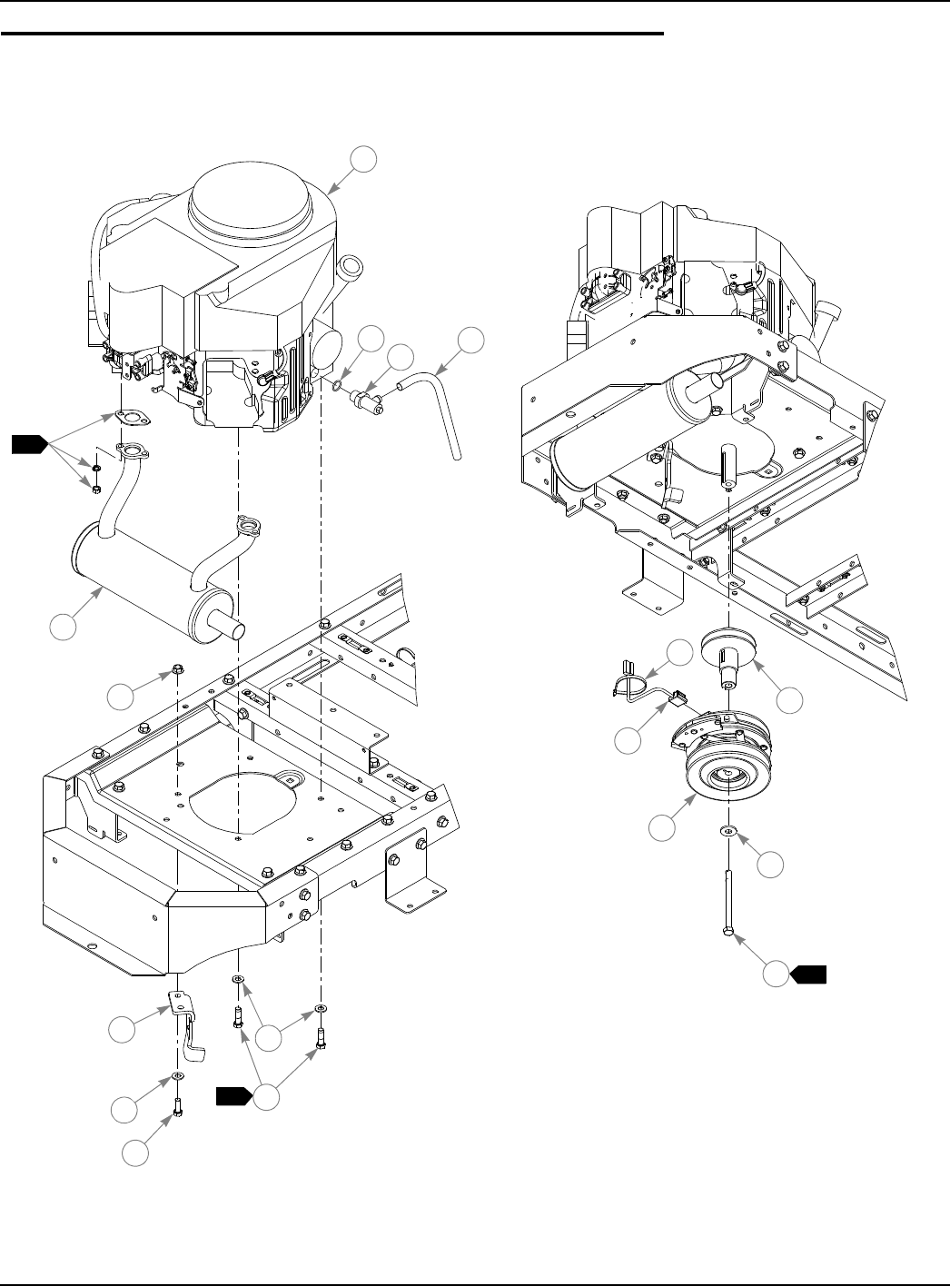
Engine, Kawasaki FR651V/FR691V/FR730V
Engine Service Parts
Fuel System—Without Carbon Canister
Fuel Tank Service Parts
Section 6
48" Service Deck
48" Deck Pulleys & Spindles
48" Deck
54" Service Deck
54" Deck Pulleys & Spindles
54" Deck
60" Service Deck
60" Deck Pulleys & Spindles
60" Deck
Deck Lift—Right Side
Deck Lift—Left Side
Section 7
Seat, Standard
Seat Service Parts, Standard
Seat, Removable Back
Seat Service Parts, Removable Back
5-2
118791_1113
Engine
, Kawasaki FR651V/FR691V/FR730V
13
16
14
2
1
1
5
3
10
6
7
9
15
8
11
12
4
2
3
8
1
...
...
38
39
40
41
42
...
...
78