Replacement Part List
Manuals
Brands
Hustler Manuals
Outdoors
Raptor 60 in. 24 HP Kawasaki V-Twin Hydrostatic Zero-Turn Mower
21
22
23
24
25
26
27
28
29
30
Table Of Contents
Hustler® Raptor SD
Table of Contents
General Information
Service Literature
Options Available From Your Dealer
Using This Manual
Hardware Description Codes & Abbreviations
Standard Torques
Section 2
Frame
Fenders & Instrument Panel
Engine Guard
Battery
Section 3
Hydraulic System
Transmission Assembly
Transmission Service Parts
Steering & Brake
Steering Cover Assembly
Section 4
Wheel & Tire
Front Tire Breakdown—Smooth
Drive Wheel Breakdown
Section 5
Engine, Kawasaki FR651V/FR691V/FR730V
Engine Service Parts
Fuel System—Without Carbon Canister
Fuel Tank Service Parts
Section 6
48" Service Deck
48" Deck Pulleys & Spindles
48" Deck
54" Service Deck
54" Deck Pulleys & Spindles
54" Deck
60" Service Deck
60" Deck Pulleys & Spindles
60" Deck
Deck Lift—Right Side
Deck Lift—Left Side
Section 7
Seat, Standard
Seat Service Parts, Standard
Seat, Removable Back
Seat Service Parts, Removable Back
3-10
118791_1113
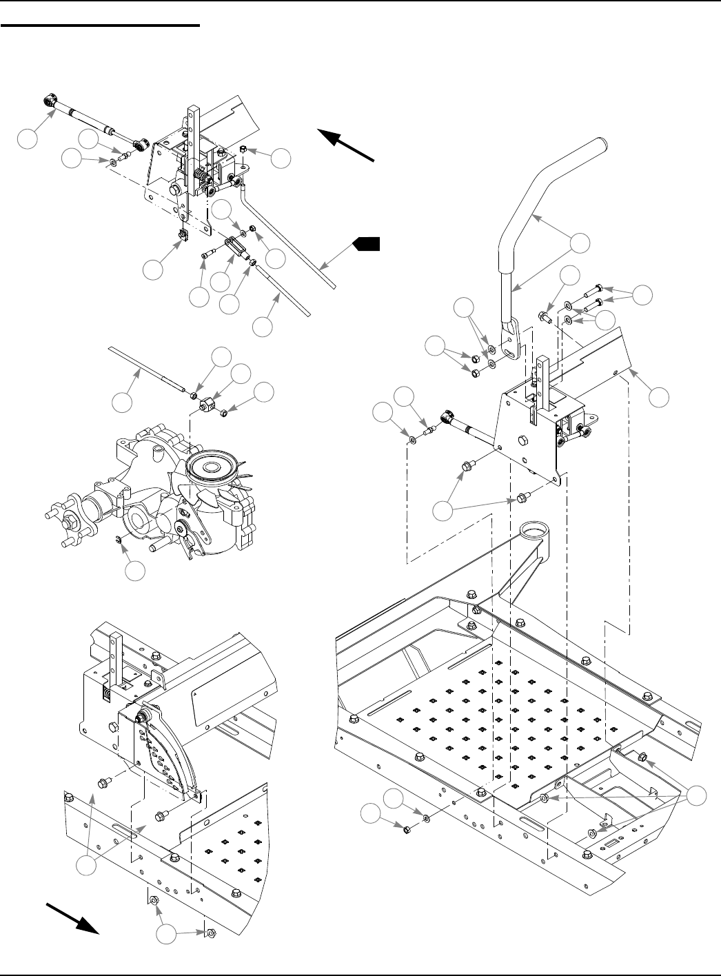
S
teering & Brake
LEFT SIDE SHOWN;
RIGHT SIDE SIMILAR
12
2
13
14
14
1
16
18
3
3
2
3
4
6
7
8
9
FRONT OF MOWER
5
1
19
8
20
9
17
16
11
10
8
21
FRONT OF MOWER
15
17
16
1
...
...
24
25
26
27
28
...
...
78