Replacement Part List
Manuals
Brands
Hustler Manuals
Outdoors
Raptor 60 in. 24 HP Kawasaki V-Twin Hydrostatic Zero-Turn Mower
21
22
23
24
25
26
27
28
29
30
Table Of Contents
Hustler® Raptor SD
Table of Contents
General Information
Service Literature
Options Available From Your Dealer
Using This Manual
Hardware Description Codes & Abbreviations
Standard Torques
Section 2
Frame
Fenders & Instrument Panel
Engine Guard
Battery
Section 3
Hydraulic System
Transmission Assembly
Transmission Service Parts
Steering & Brake
Steering Cover Assembly
Section 4
Wheel & Tire
Front Tire Breakdown—Smooth
Drive Wheel Breakdown
Section 5
Engine, Kawasaki FR651V/FR691V/FR730V
Engine Service Parts
Fuel System—Without Carbon Canister
Fuel Tank Service Parts
Section 6
48" Service Deck
48" Deck Pulleys & Spindles
48" Deck
54" Service Deck
54" Deck Pulleys & Spindles
54" Deck
60" Service Deck
60" Deck Pulleys & Spindles
60" Deck
Deck Lift—Right Side
Deck Lift—Left Side
Section 7
Seat, Standard
Seat Service Parts, Standard
Seat, Removable Back
Seat Service Parts, Removable Back
3-6
118791_1113
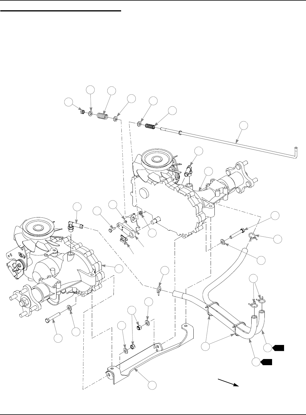
T
ransmission
Assembly
9
15
14
7
9
13
9
8
8
4
2
1
2
3
5
FRONT OF
MOWER
9
2
10
10
10
11
16
18
17
BRAKE
ARM
6
6
11
A
B
LEFT SIDE SHOWN
RIGHT SIDE SIMILAR
12
BRAKE
CLIP
1
...
...
20
21
22
23
24
...
...
78