Replacement Part List
Manuals
Brands
Hustler Manuals
Outdoors
Raptor 60 in. 24 HP Kawasaki V-Twin Hydrostatic Zero-Turn Mower
11
12
13
14
15
16
17
18
19
20
Table Of Contents
Hustler® Raptor SD
Table of Contents
General Information
Service Literature
Options Available From Your Dealer
Using This Manual
Hardware Description Codes & Abbreviations
Standard Torques
Section 2
Frame
Fenders & Instrument Panel
Engine Guard
Battery
Section 3
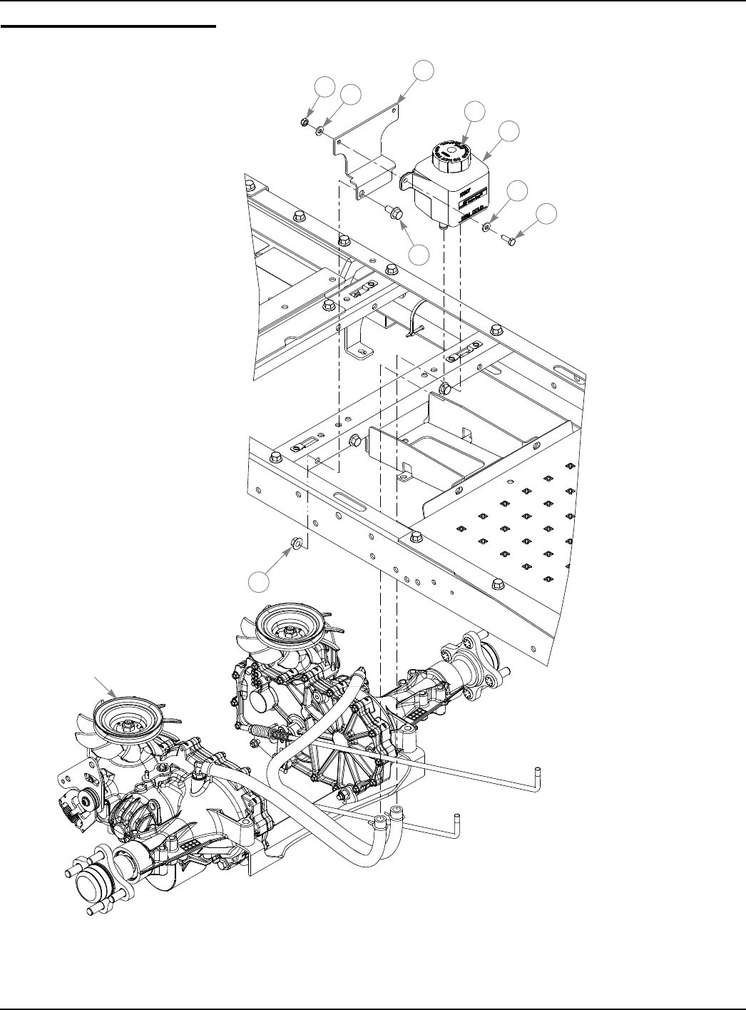
Hydraulic System
Transmission Assembly
Transmission Service Parts
Steering & Brake
Steering Cover Assembly
Section 4
Wheel & Tire
Front Tire Breakdown—Smooth
Drive Wheel Breakdown
Section 5
Engine, Kawasaki FR651V/FR691V/FR730V
Engine Service Parts
Fuel System—Without Carbon Canister
Fuel Tank Service Parts
Section 6
48" Service Deck
48" Deck Pulleys & Spindles
48" Deck
54" Service Deck
54" Deck Pulleys & Spindles
54" Deck
60" Service Deck
60" Deck Pulleys & Spindles
60" Deck
Deck Lift—Right Side
Deck Lift—Left Side
Section 7
Seat, Standard
Seat Service Parts, Standard
Seat, Removable Back
Seat Service Parts, Removable Back
3-4
118791_1113
Hydr
aulic System
22
20
21
25
4
23
TRANSMISSION
ASSEMBL
Y
24
21
26
1
...
...
18
19
20
21
22
...
...
78