User Guide
Manuals
Brands
Hustler Manuals
Other
302612
41
42
43
44
45
46
47
48
49
50
Table Of Contents
Hustler Mini Z
Table of Contents
Chapter 1
General Information
Chapter 2 Contents
Rivet Nut Installation
Footrest Assembly
Chapter 3 Contents
Hydraulic System Installation
Chapter 4 Contents
Battery Installation
Deck Lift Assembly
Steering and Brake Assembly
Pump Belt and Pulley Installation
Chapter 5 Contents
Kawasaki Engine Installation
Honda Engine Installation
Kohler Engine Installation
Fuel System Installation
Instrument Panel Installation/Assembly
Electrical Schematic-Kawasaki Engines (783894)
Electrical Schematic-Honda Engines (787200)
Electrical Schematic-Kohler Engines (788000)
Chapter 6 Contents
Front Wheel Assembly
Front Wheel Breakdown - 786061
Drive Wheel Assembly
Anti-Rollover Wheel Assembly
Chapter 7 Contents
Deck Assembly
Deck Pulley Assembly
Blade Spindle Assembly Breakdown
Chapter 8 Contents
Deck Installation
Deck Belt Routing and Tensioning
Chapter 9 Contents
Tractor Decals
52" Deck Decals
44" Deck Decals
Chapter 10 Contents
Seat Installation
Chapter 11 Contents
Maintenance & Adjustments Safety Precautions
Maintenance
Adjustments
Index
Part Numbers
302612 5/05
5-21
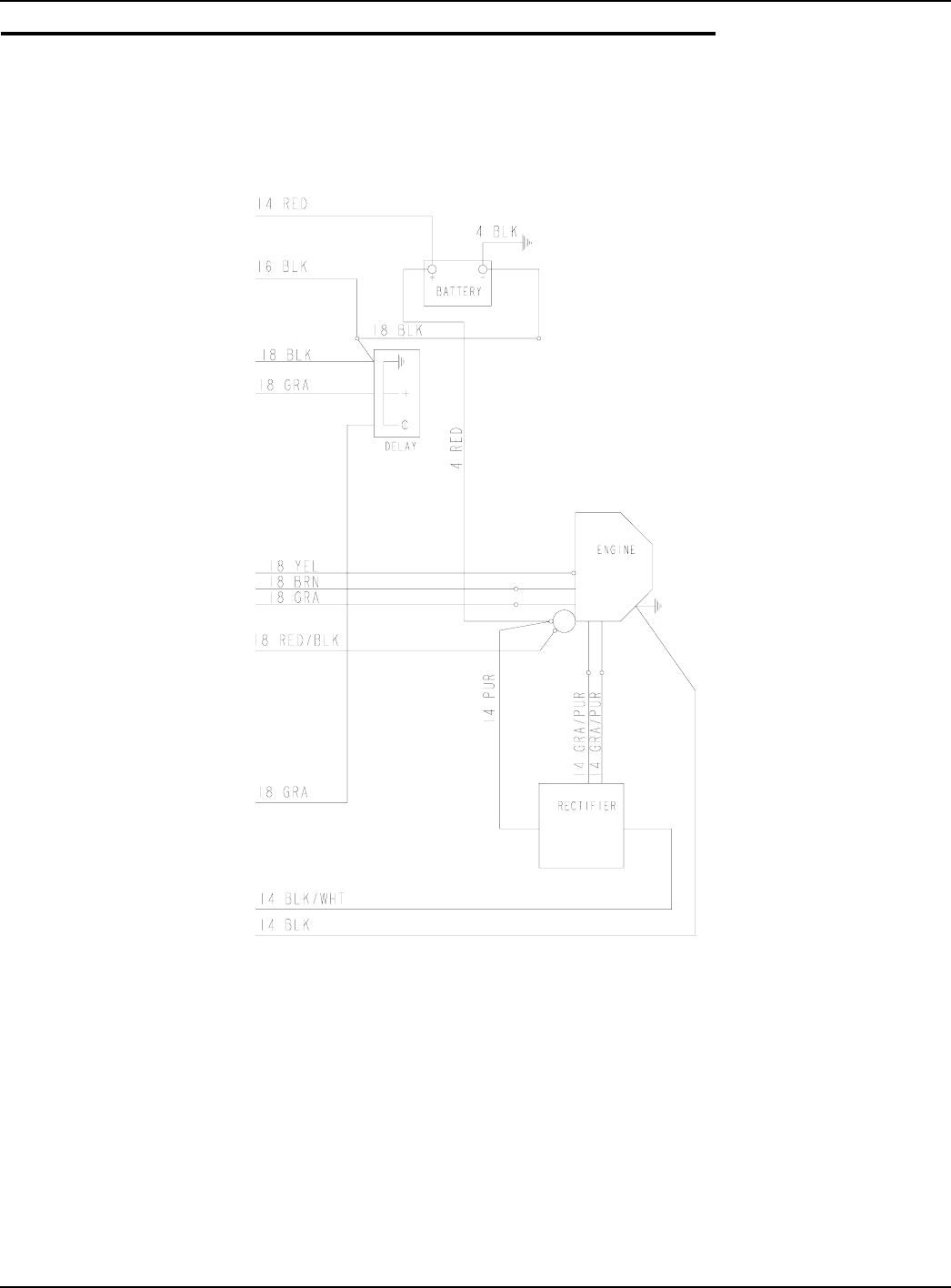
Electrical Schematic–Honda Engines (787200)
1
...
...
45
46
47
48
49
...
...
103