User Guide

18
2
L1 L2 L3
L1 L2
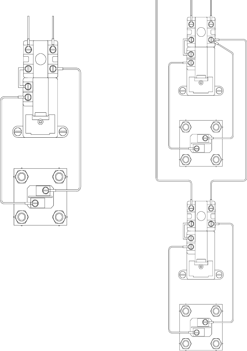
Single Element Operation
3 Ø Open Delta Wiring for Simultaneous Operation
4
3
2
1
1
2
1
2
3
4
1
3
4
2
1
2
1
1