Owner manual
Table Of Contents
- HP Remote Insight Lights-Out Edition II User Guide
- Notice
- Contents
- Operational overview
- Installing the RILOE II
- Configuring the RILOE II
- Using the RILOE II
- Accessing RILOE II for the first time
- Features of the RILOE II
- Managing the user and configuration settings of the RILOE II
- Using the Remote Console
- Terminal Services pass-through option
- Using virtual devices
- Resetting the RILOE II to the factory default settings
- Getting help
- Pocket PC access with RILOE II
- RILOE II security
- Systems Insight Manager integration
- Directory services
- Overview of directory integration
- Benefits of directory integration
- How directory integration works
- Advantages and disadvantages of schema-free and HP Extended
- Setup for Schema-free directory integration
- Setting up HP schema directory integration
- Features supported by HP schema directory integration
- Setting up directory services
- Directory services support
- Schema required software
- Schema installer
- Management snap-in installer
- Directory services for Active Directory
- Active Directory Lights-Out management
- Directory services for eDirectory
- User login using directory services
- Directory settings
- Directory-enabled remote management
- Scripting, command line, and utility options
- Overview of the Lights-Out DOS utility
- Lights-Out directories migration utilities
- Compatibility
- Pre-migration checklist
- HP Lights-Out directory package
- HPQLOMIG operation
- Finding management processors
- Upgrading firmware on management processors
- Selecting a directory access method
- Naming management processors
- Configuring directories when HP Extended schema is selected
- Configuring directories when schema-free integration is sele
- Setting up management processors for directories
- HPQLOMGC operation
- Lights-Out Configuration Utility
- Using Perl with the XML scripting interface
- HPONCFG
- Remote Insight command language
- RIBCL sample scripts
- RIBCL general guidelines
- XML header
- Data types
- Response definitions
- RIBCL
- LOGIN
- USER_INFO
- ADD_USER
- DELETE_USER
- GET_USER
- MOD_USER
- GET_ALL_USERS
- GET_ALL_USER_INFO
- RIB_INFO
- RESET_RIB
- GET_NETWORK_SETTINGS
- MOD_NETWORK_SETTINGS
- GET_GLOBAL_SETTINGS
- MOD_GLOBAL_SETTINGS
- CLEAR_EVENTLOG
- UPDATE_RIB_FIRMWARE
- GET_FW_VERSION
- HOTKEY_CONFIG
- DIR_INFO
- GET_DIR_CONFIG
- MOD_DIR_CONFIG
- SERVER_INFO
- RESET_SERVER
- INSERT_VIRTUAL_FLOPPY
- EJECT_VIRTUAL_FLOPPY
- COPY_VIRTUAL_FLOPPY
- GET_VF_STATUS
- SET_VF_STATUS
- GET_HOST_POWER_STATUS
- SET_HOST_POWER
- GET_VPB_CABLE_STATUS
- GET_ALL_CABLES_STATUS
- GET_TWOFACTOR_SETTINGS
- MOD_TWOFACTOR_SETTINGS
- Troubleshooting the RILOE II
- Supported client operating systems and browsers
- Supported hardware and software
- Server PCI Slot and Cable Matrix
- Network connection problems
- Alert and trap problems
- NetWare initialization errors
- Miscellaneous problems
- Accessing System Partition Utilities
- Inability to reboot the server
- Inability to upgrade the RILOE II firmware
- Incorrect time or date of entries in the event log
- Interpreting LED indicators
- Invalid Source IP address
- Login name and password problems
- Remote Console mouse control issue
- Resetting the RILOE II to Factory Default Settings
- Virtual Floppy media applet is unresponsive
- Video Problems
- Troubleshooting the host server
- Directory Services errors
- Directory Services schema
- Technical support
- Regulatory compliance notices
- Acronyms and abbreviations
- Index

Installing the RILOE II 12
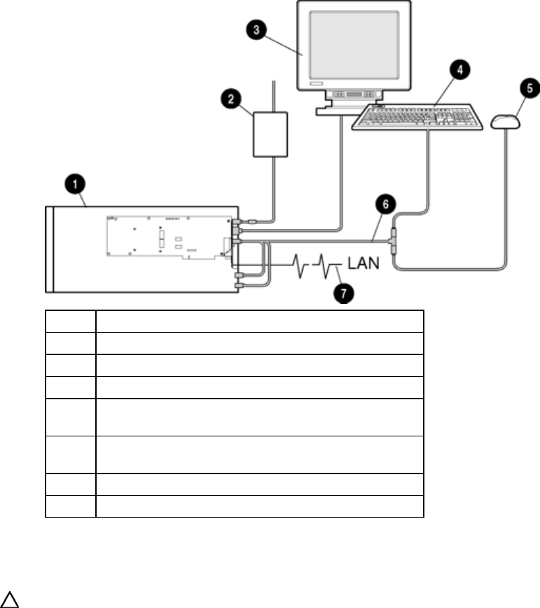
For servers that use the keyboard/mouse adapter cable, RILOE II connects to the host server, peripheral
devices, power source, and LAN.
Item Description
1 RILOE II installed in a server
2 AC power adapter connected to RILOE II
3 Monitor connected to RILOE II
4
Keyboard connected to RILOE II keyboard/mouse
adapter cable
5
Mouse connected to the RILOE II keyboard/mouse
adapter cable
6 Keyboard/mouse adapter cable
7 LAN connected to RILOE II
Installing RILOE II in the server
CAUTION: To prevent damage to electrical components, properly ground the server before beginning any
installation procedure. Improper grounding can cause electrostatic discharge.
1. If you are installing RILOE II in a shared EISA/PCI slot, attach the PCI extender bracket to the board
before installing the board in the server. The PCI extender bracket is not needed when installing the
board in PCI-only slots.










