Hitachi Dynamic Link Manager Software Users Guide for AIX

Table Of Contents
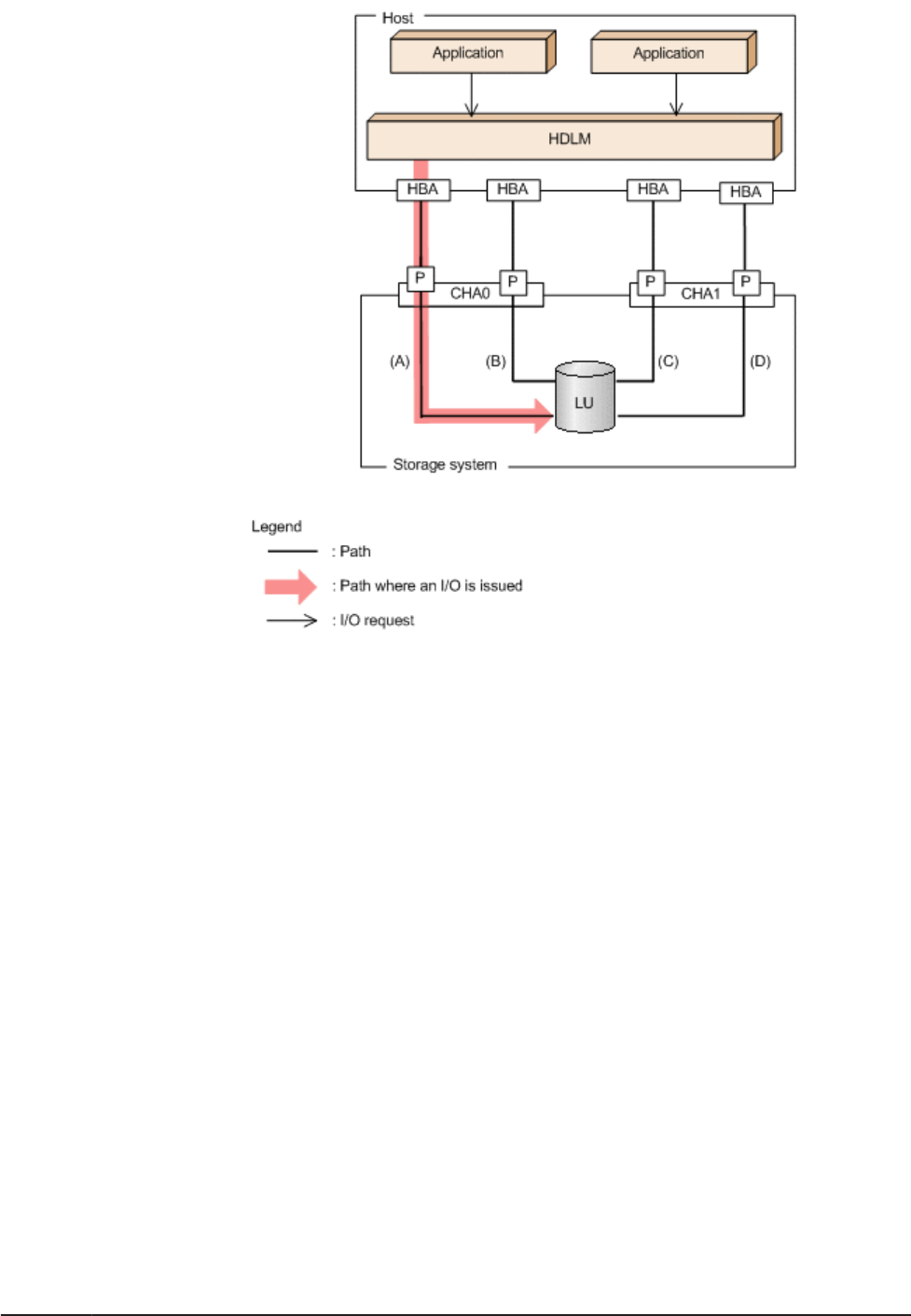
Figure 2-5 Flow of I/O Data When the Load Balancing Function Is Not
Used
When the load balancing function is not being used, I/O operations converge
on one physical path (A). The load on the physical path (A) will cause a
bottleneck, which might cause deterioration of the whole system's
performance.
HDLM Functions
2-9
Hitachi Dynamic Link Manager (for AIX) User Guide