Hitachi Dynamic Link Manager Software Users Guide for AIX

Table Of Contents
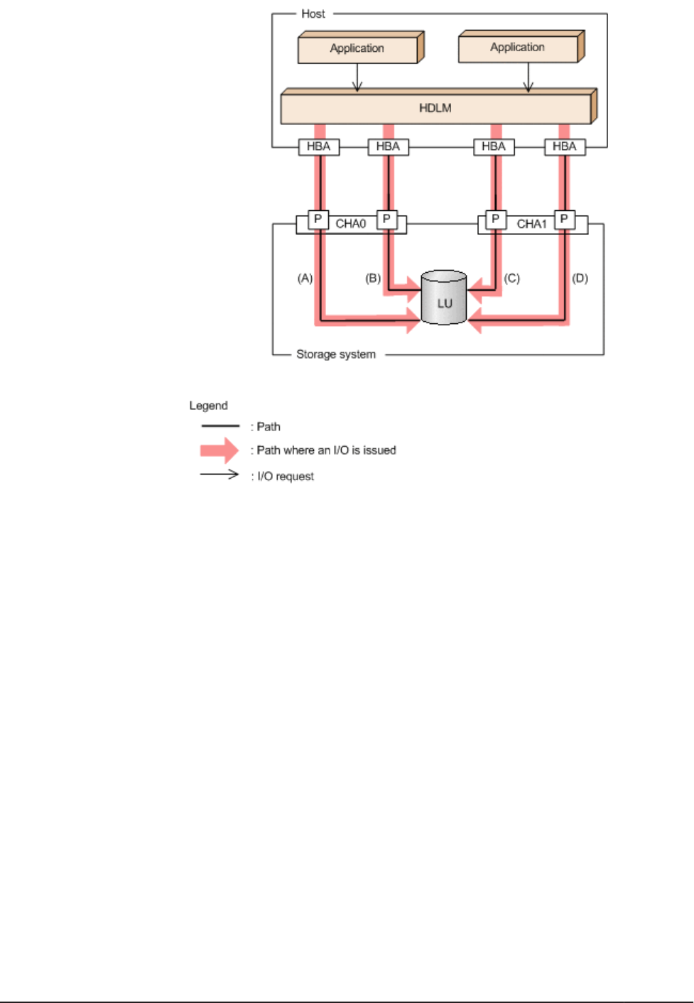
Figure 2-6 Flow of I/O Data When the Load Balancing Function Is Used
When the load balancing function is being used, I/O operations are
distributed via physical paths (A), (B), (C), and (D). This prevents
deterioration of the whole system's performance from a bottleneck on one
path.
Paths to which load balancing is applied
This subsection describes, for each type of storage system, the paths to
which the load balancing function is applied.
When Using the Thunder 9500V Series, or Hitachi AMS/WMS Series
When HDLM performs load balancing, it differentiates between load balancing
among owner paths and among non-owner paths. An owner path is a path
that passes through the owner controller for a target LU. When you set up an
LU, you have to specify which CHA to be used as the owner controller for the
LU. Because different LUs might have different owner controllers, different
LUs might also have different owner paths. A non-owner path is a path that
passes through a CHA other than the owner controller. This type of CHA is
also known as a non-owner controller. An owner path is usually used in
preference to a non-owner path. In order to prevent system performance
from slowing down, HDLM does not perform load balancing between owner
2-10
HDLM Functions
Hitachi Dynamic Link Manager (for AIX) User Guide