Replacing External Tape Drive CRUs Online
Table Of Contents
- Replacing External Tape Drive CRUs Online
- Replacing External Tape Drive CRUs Online
- Definitions and Service Classes of CRUs and FRUs
- List of Tape Drive Manuals
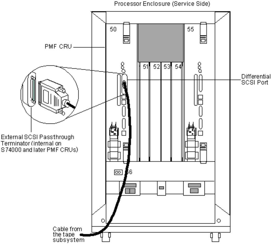
- Location of Differential SCSI Port on PMF/IOMF CRU
- Minimum Hardware/Firmware Revisions for 517x and 519x Replacement Tape Drives
- Stopping the Tape Drive
- Deleting and Adding a Tape Drive
- Verifying the SCSI Port is Configured to Support a Tape Drive
- Starting a Tape Drive
- Resetting a Tape Drive Using SCF











