- Hewlett Packard Power Clamp-On User Guide

380976 V3.1 6/08
7
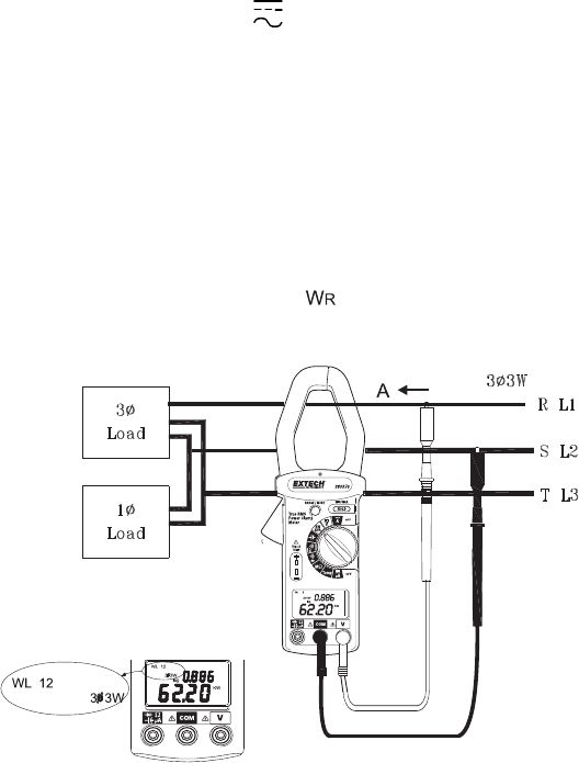
3Φ 3-Wire KW, HP, KVA, KVAR, Power Factor & Phase Angle Measurement
1.
First, measure W
RS(L1L2)
(refer to the diagram below).
a. Set the rotary switch to the “
V ”.
b. Press and hold the “HOLD” key while setting the rotary switch to “KW/KVA”, the
3
φ
3W and W
L12
symbols will appear.
c. Insert the test leads into the jacks.
d. Select a phase (e.g. S or L2) as COM and connect the test probe of the COM
(black) terminal to that phase (e.g. S or L2).
e. Connect the test probe of V (red) terminal to the second phase (e.g. R or L1).
f. Clamp the same phase as step e. (e.g. R or L1).
g. The power clamp will automatically select the proper range.
h. Wait until the reading is stable (about 6 seconds). Press the “HOLD” key to store
the measured value. The W
L23
symbol will appear.
2.
Second, measure W
TS(L3L2)
(refer to the diagram that follows the steps below).
a. Disconnect the test probe from the phase where the jaw clamp was set in the
previous measurement.
b. Connect the test probe to the third phase (e.g. T or L3).
c. Clamp the third phase where test probe is connected to (e.g. T or L3)
d. The power clamp will automatically select the proper range.
e. Wait until the reading is stable (about 6 seconds) and then press the “HOLD” key
to store the measured value.










