Compaq Netelligent Ethernet and Fast Ethernet PCI Controllers Installation Guide

. . . . . . . . . . . . . . . . . . . . . . . . . . . . . .
3
Netelligent Ethernet and Fast Ethernet PCI Controllers Installation Guide
Writer: Jim Shay Project: Netelligent Ethernet and Fast Ethernet PCI Controllers Installation Guide Comments: June 1997
File Name:ENETPCI.RTF Last Saved On:4/28/97 3:58 PM
Chapter 2
Hardware Installation
This chapter identifies the components of the Netelligent 10 and 10/100
Ethernet PCI Controllers, and it also tells you how to install the controllers.
Since the Ethernet PCI family of products complies with the PCI Plug and Play
specification, the controller automatically configures itself when the machine is
turned on. Before removing the cover of your computer, be sure to refer to the
manufacturer’s documentation for the proper method of installing controllers
and safeguarding you from electrical shock.
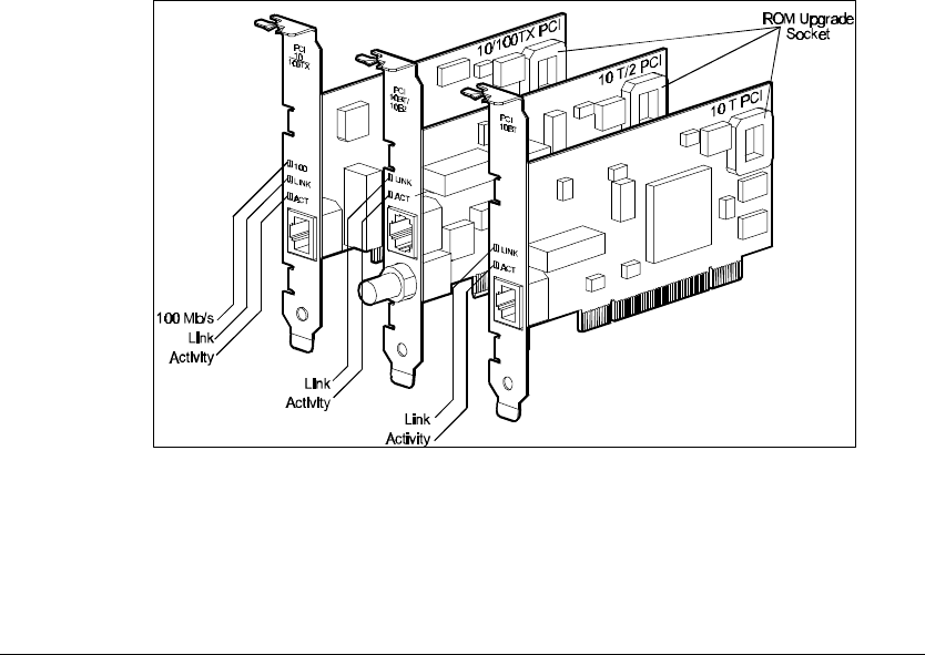
Controller Components
The figure below shows the location of the components on the Netelligent 10
and 10/100 PCI Controllers:
Figure 1. Components of the Netelligent Ethernet PCI controllers










