User's Manual

Table Of Contents
33
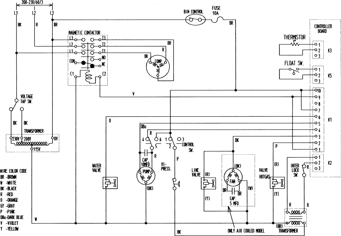
[c] KM-1300SAH3, KM-1300SWH3
Note: Pressure Switch
KM-1300SAH3
Cut-out 412 PSIG
Cut-in 327 ± 21.3 PSIG
+21.3
0
KM-1300SWH3
Cut-out 384 PSIG
Cut-in 285 ± 21.3 PSIG
+21.3
0