Installation Instructions
Manuals
Brands
Hitachi Manuals
General Construction Tool Rental
Twin Stack Compressor with Masterforce® 50' x 3/8" Air Hose 4-Hour Base Rental
21
22
23
24
25
26
27
28
29
30
By Allen R.
1
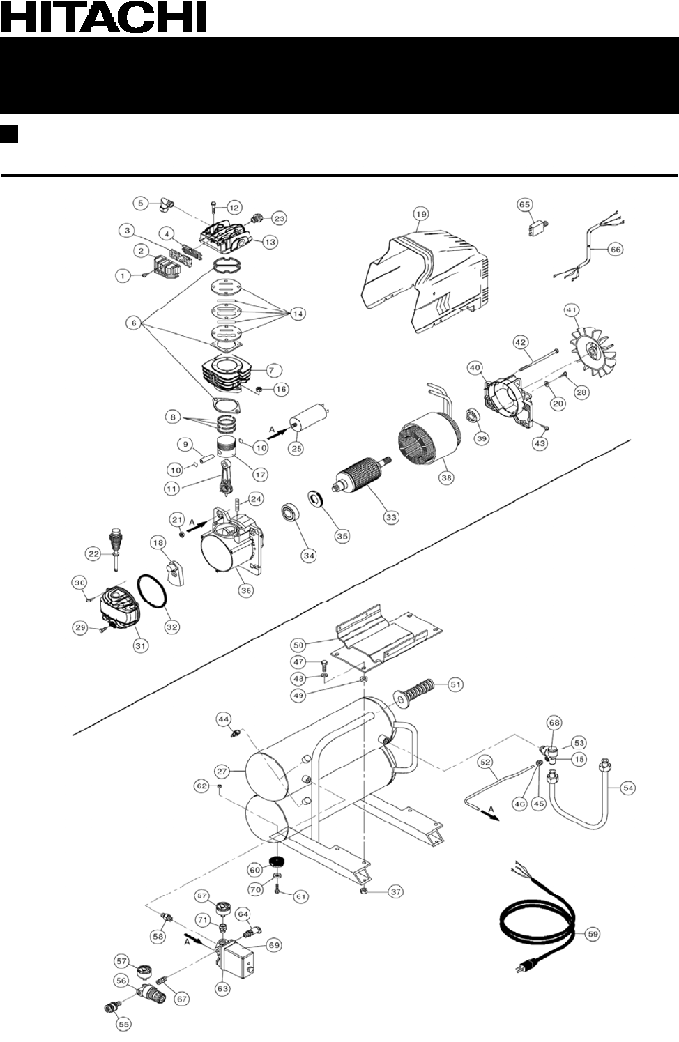
ELECTRIC TOOL PARTS LIST
AIR COMPRESSOR
2009 • 09 • 10
Model EC89
(E1)
1
...
...
26
27
28
29
30
...
...
34