Installation Instructions

- 18 -
Français
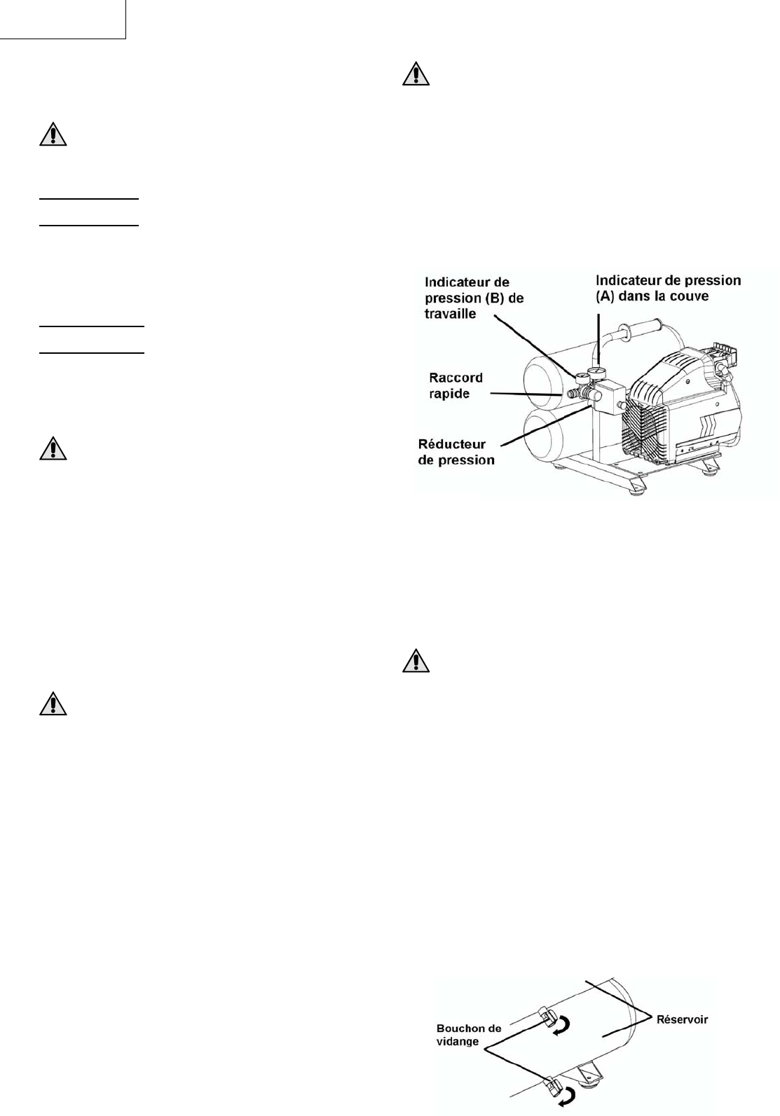
Fig.6
Fig.7
7. Température
Les températures de fonctionnement sont comprises entre 0
et 40°C (32 et 104°F).
PRÉCAUTION: Ne jamais mettre en marche si la
température est inférieure à 0°C (32°F)
ou supérieure à 40°C (104°F).
TRANSPORT
Appuyer sur le bouton du commutateur de pression pour le mettre
en position «OFF» et déconnecter le compresseur de la source de
courant avant de le déplacer. Transporter le compresseur de la
façon correcte.
UTILISATION
1. Démarrage
Brancher la fiche dans la prise et mettre le compresseur en
marche en positionnant le sélecteur de l’interrupteur
barométrique sur «ON» (Voir Fig. 2).
AVERTISSEMENT: Ne pas arrêter ou démarrer le
compresseur au moyen de la
fiche.Toujours utiliser la position
«ON/OFF» du sélecteur de
l’interrupteur barométrique.
Le fonctionnement du compresseur est automatique, il est
contrôlé par l’interrupteur barométrique qui l’arrête lorsque la
pression de l’air contenu dans le réservoir atteint la valeur
maximale, et qui le redémarre lorsque cette pression retombe
sous le seuil de redémarrage en cours d’utilisation.
Le moteur du compresseur est équipé d’une protection thermique
avec une réinitialisation manuelle (bouton-pressoir), qui arrête le
compresseur lorsque la température devient trop élevée. Après
le déclenchement de cette protection, le compresseur redémarre
uniquement si la réinitialisation est effectée.
PRÉCAUTION: Pendant l’utilisation, porter un dispositif
adéquat de protection individuelle pour
l’ouie. En effet, dans certaines conditions
et/ou en cas d’exposition prolongée, le
bruit émis par ce produit peut contribuer
à augmenter le risque de surdité.
2. Réglage de la pression de travail
Déverrouiller le bouton du réducteur de pression en tirant
dessus; régler la pression à la valeur désirée en tournant dans
le sens des aiguille d’une montre pour l’augmenter, ou dans le
sens opposé pour ladiminuer. Un indicateur de pression (B)
permet de visualiser quand la valeur désirée est atteinte; pour
verrouiller le bouton appuyer à fond dessus.(Voir Fig.6)
Lorsqu’on vérifie la pression, bien s’assurer que le manomètre
de pression du résevoir a un niveau de pression supérieur à
celui de la pression à régler. De même, il faudra impérativement
effectuer le réglage en démarrant la pression lentement à
partir d’un niveau inférieur à la pression à régler.
3. Arrêt
(1) Positionner le sélecteur de l’interrupteur barométrique
sur «OFF» (Voir Fig. 1 et Fig. 2).
(2) Débrancher la fiche de la source d’alimentation.
(3) Ouvrir le bouchon de vidange qui se trouve sous la
partie inférieure du réservoir (Fig. 7).
AVERTISSEMENT: Risque d’explosion. Si le
réservoir est corodé, des pannes
risquent de survenir. L’eau se
condense à l’intérieur du
réservoir d’air. Si ce dernier n’est
pas vidé, il est soumis à la
corrosion et à l’usure à cause de
l’eau, ce qui risque de provoquer
des ruptures. Videz le réservoir
tous les jours et toutes les 4
heures d’utilisation. La
condensation évacuée contient
l’humidité présente dans l’air,
des particules abrasives, de la
rouille, etc. Pour vider le
réservoir, ouvrez lentement la
vanne et inclinez le compresseur
pour que l’eau accumulée
s’écoule. N’approchez pas le
visage et les yeux du robinet de
vidange.
Bouton du réducteur
de pression
Indicateur de pression
(A) indique la pression
à l’intérieur du réservoir
d’air
Indicateur de pression
(B) indique la pression
de travail
Raccord rapide
(sortie d’air)
Réservoir
Bouchon de vidange
AVERTISSEMENT:
Contrôlez la pression nominale
maximale indiquée par le fabricant
pour les cloueuses, agrafeuses et
accessoires. La pression de sortie
du compresseur doit être réglée
de façon qu’elle ne dépasse jamais
la pression nominale maximale
des cloueuses, agrafeuses et
accessoires.










