Operation Manual

Product Specifications
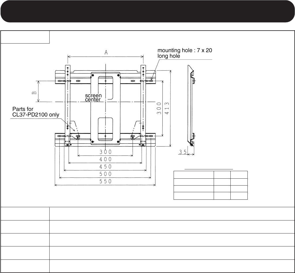
External Dimensions
Mass 2.6kg
Main material Steel sheet
Surface treatment
Black electrodeposited baked paint
Angle adjustment
Vertical fix
Products mounted
Hitachi Plasma TV CL32-PD2100 , CL37-PD2100 , CL42-PD2100
Model A B
CL32-PD2100 377 113
CL37-PD2100 414 100
CL42-PD2100 414 51
Dimension (A),(B)










