User's Manual
Table Of Contents
- iCLASS SE Reader Module Hardware Developer Guide
- 1 Introduction
- 2 Overview
- 3 Connector Configuration
- 4 Mechanical Specifications
- 5 Electrical Specifications
- 6 RF Interfaces
- 7 Antennas
- 8 Regulatory

iCLASS SE Reader Module Hardware Developer Guide, SE3200-902, Rev B.0
October 2012
Page 31 of 42
HID GLOBAL CONFIDENTIAL AND PROPRIETARY INFORMATION. Use and disclosure of this information is strictly
restricted by the terms of the end user license agreement with HID Global Corporation. If you have received this information
and are not an intended recipient or are not subject to or do not agree to be bound by the terms of the non-disclosure
agreement, please immediately return this document to HID Global Corporation, 15370 Barranca Pkwy, Irvine, CA 92618-3106.
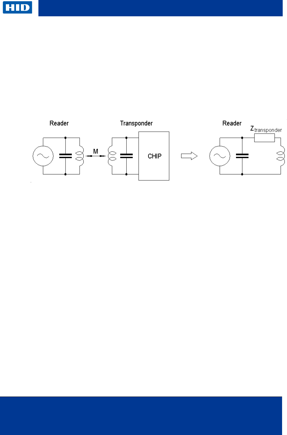
7.1.2 Load Modulation
As previously mentioned, interpret the inductively coupled system as a transformer. Putting a
transponder (with a SRF around 13.56 MHz) into the magnetic field of a reader absorbs
energy from the field. This loading of the reader’s antenna, caused by the transponder, is
represented as transformed impedance at the antenna.
To communicate with the reader, the transponder switches an additional load resistor across
its own antenna. This results in a further impedance / voltage change at the reader’s antenna.
Therefore, the credential does not actually transmit.
Figure 14: Load Modulation Principle
7.2 Antenna Integration
Magnetic field antennas operate optimally within a free-air environment because the magnetic
field propagates perpendicularly with equal magnitude to the back and front of the antenna.
Antenna performance degradation due to Eddy Current loss begins at the point where a
metallic plate begins to enter the periphery of the magnetic flux lines of the magnetic field.
Note: Magnetic field losses due to Eddy Currents are not recoverable.
Magnetic field loss is extremely important. As loss increases, the available magnetic field to
power a credential and for the credential to load modulate is reduced, thus, affecting RF
performance of the system.
7.2.1 Steps to Integration
Due to antenna parasitic shift and eddy current losses, RF implementation should be fully
planned out prior to an industrial/mechanical design. This requires experimentation to be
completed including the proximity of metal obstructions in the proximity of the antenna
(including the LF antenna for HF+LF applications).
7.2.2 Antenna Interconnect Cable
The antenna interconnect cable is also designed to be routed in a free air environment.
Routing the antenna interconnect cable across metal structures shifts the antenna
characteristics and requires optimization.
7.2.3 Training and Assistance










