User's Manual
Table Of Contents
- iCLASS SE Reader Module Hardware Developer Guide
- 1 Introduction
- 2 Overview
- 3 Connector Configuration
- 4 Mechanical Specifications
- 5 Electrical Specifications
- 6 RF Interfaces
- 7 Antennas
- 8 Regulatory

iCLASS SE Reader Module Hardware Developer Guide, SE3200-902, Rev B.0
October 2012
Page 27 of 42
HID GLOBAL CONFIDENTIAL AND PROPRIETARY INFORMATION. Use and disclosure of this information is strictly
restricted by the terms of the end user license agreement with HID Global Corporation. If you have received this information
and are not an intended recipient or are not subject to or do not agree to be bound by the terms of the non-disclosure
agreement, please immediately return this document to HID Global Corporation, 15370 Barranca Pkwy, Irvine, CA 92618-3106.
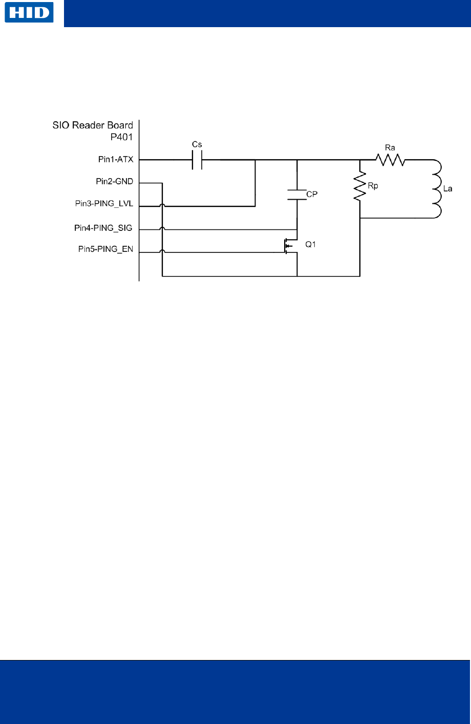
6.1.1 Ultra Low Power Mode
To allow for the ULPM, take additional measures at the antenna circuit. A transistor, as well
as two additional measurement lines, is introduced to enable the low power card detection
circuit on the iCLASS SE Reader Module.
Figure 10: Tuning Network with ULPM Support
For Transistor Q1, a ZXM61N02F type or similar is recommended.
Note: Only the HF interface is capable of detecting transponders in ULPM. However, Prox
transponders may be recognized by the HF interface. If supporting Prox credentials in the
ULPM, concentrically rearrange the Prox and HF antenna.










