User Guide
Manuals
Brands
Heat Controller Manuals
Other
VMH12SC-1
11
12
13
14
15
16
17
18
19
20
14
Service Manual
VMH SerieS
Heat Controller
, Inc.
13
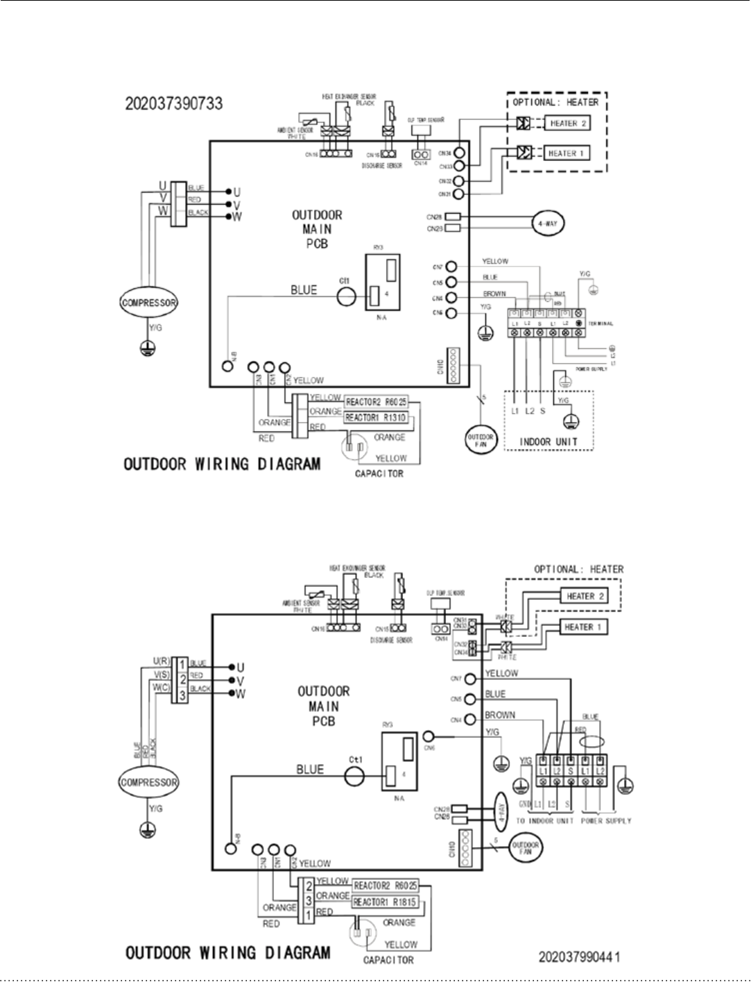
5.2 Outdoor Unit
A-
VMH09SC
-
1
A
-
V
M
H12SC
-1
A-
VMH18S
C
-1
1
...
...
12
13
14
15
16
...
...
45