- Hearth & Home Technologies Gas Fireplace Owner's Manual Installation and Operation Manual

Heat & Glo • 8000CF-OAK-IPI • 2059-900 Rev. Q • 11/0844
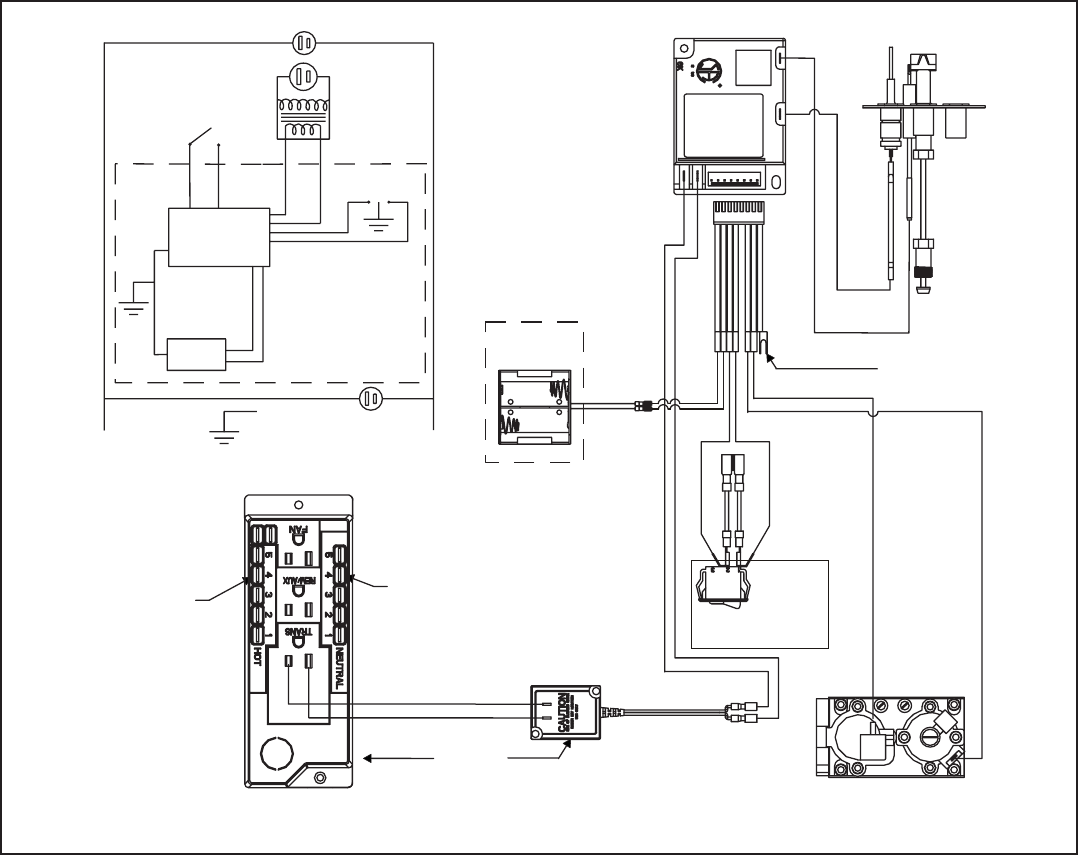
D. Electrical Service and Repair
WARNING! Risk of Shock! Label all wires prior to dis-
connection when servicing controls. Wiring errors can
cause improper and dangerous operation. Verify proper
operation after servicing.
Figure 12.1 Intellifi re Pilot Ignition (IPI) Wiring Diagram
WARNING! Risk of Shock! Replace damaged wire with
type 105º C rated wire. Wire must have high temperature
insulation.
IGNITION MODULE
3 VAC
TRANSFORMER
3 VAC
GRN
ORG
INTERMITTENT
PILOT
IGNITOR
IGNITION
MODULE
(3V)
ON/OFF
WALL
SWITCH
LOW VOLTAGE
PLUG-IN
3V TRANSFORMER
NEUTRAL
HOT
GROUND
FLAME SPARKER/
SENSOR
REMOTE
CONTROL
SEE NOTE 1
ORG
WHT
VALVE
PIGGYBACK
ON/OFF SWITCH
WHITE WIRE
CAN BE
PLUGGED
INTO ANY
OF #1-#5
LOCATIONS
ON THE
NEUTRAL SIDE
BLACK WIRE CAN BE
PLUGGED INTO ANY OF
#1 - #5 LOCATIONS
ON THE HOT SIDE
BRN
BRN
VALVE
PLUG IN
* GROUND TO
FIREPLACE
CHASSIS
I
S
BLACK
RED
BATTERY
PACK










