Datasheet
Manuals
Brands
HARTING Manuals
Connectors
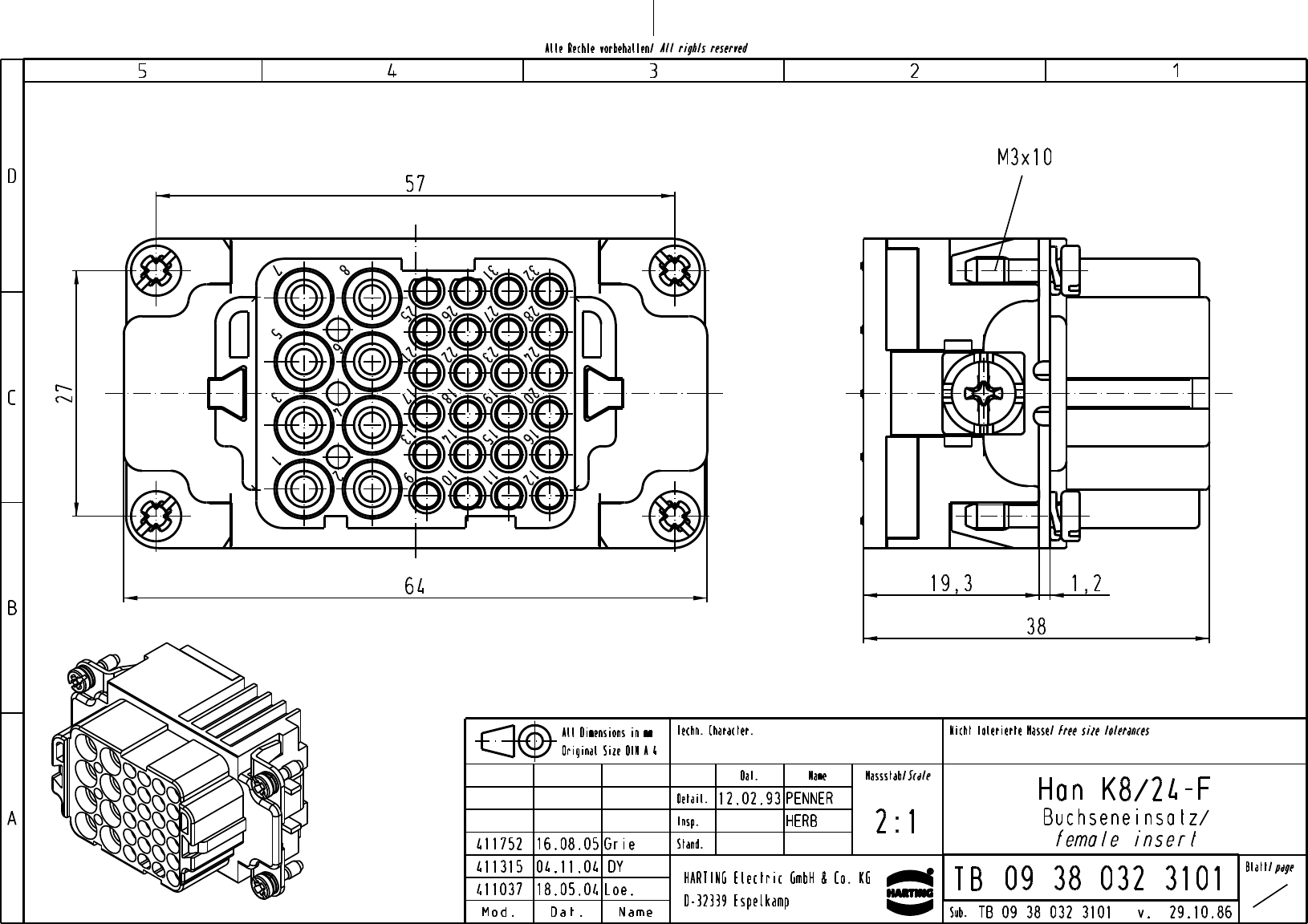
Female insert, HanK 8/25 32 Poles Socket, Crimp
1
Table Of Contents
Document View
Title Box
Total View
Web Sites
HARTING Home Page
HARKIS WWW
Check HARKIS Data
09380323101
1
Summary of content (1 pages)
PAGE 1