Datasheet
Manuals
Brands
HARTING Manuals
Connectors
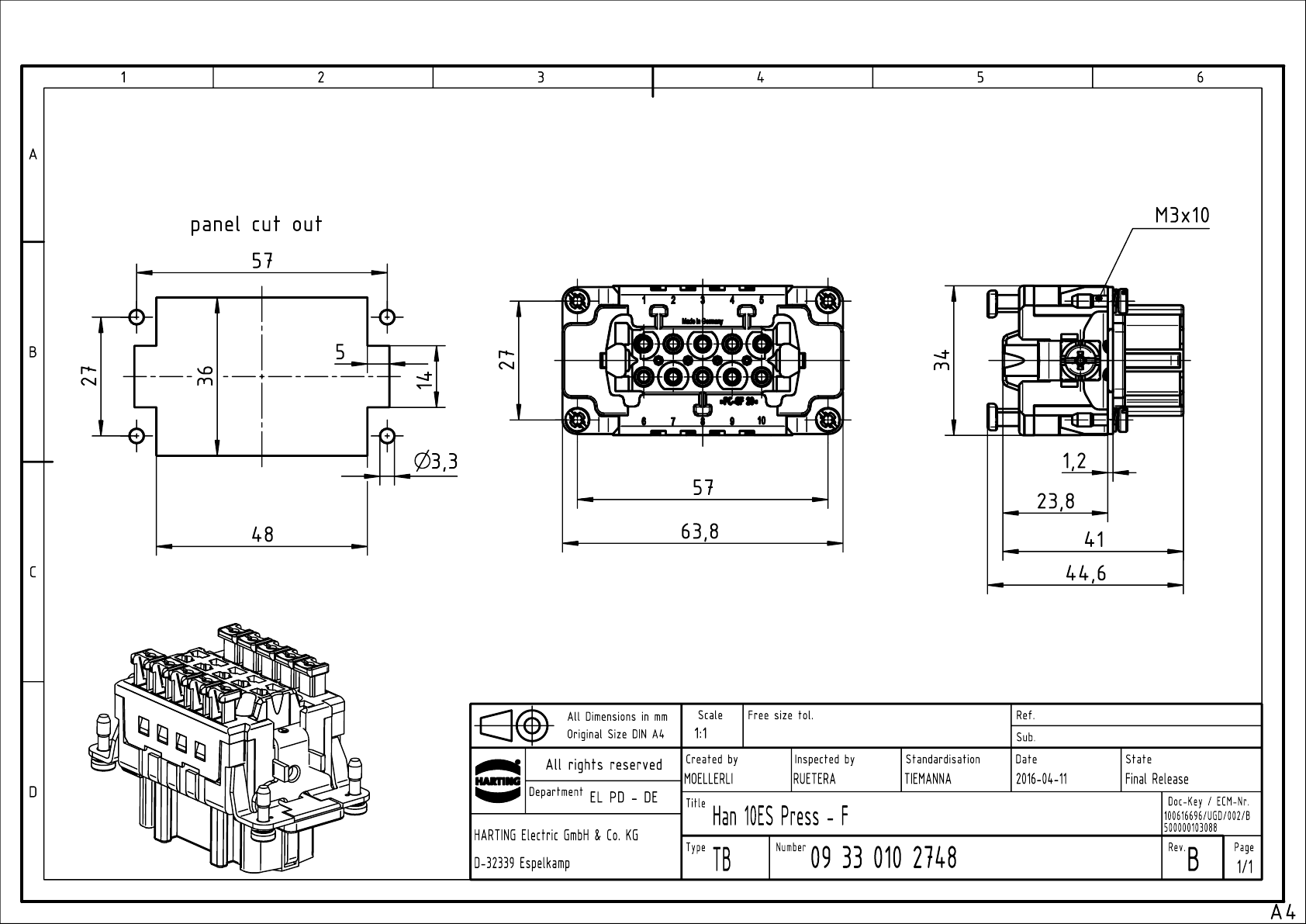
Insert 10 Poles Socket, Cage Clamp
1
1
Summary of content (1 pages)
PAGE 1