Datasheet
Manuals
Brands
HARTING Manuals
Connectors
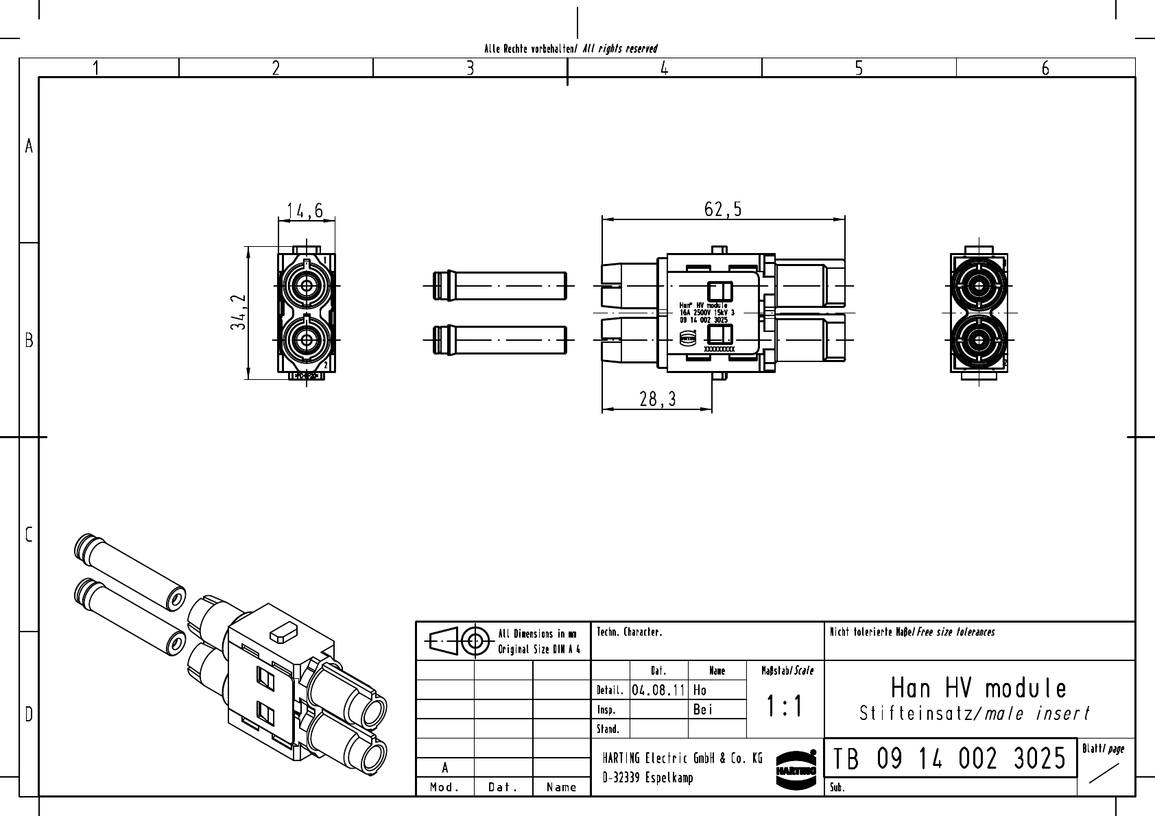
Connector Han 2 Poles Plug, Crimp
1
Table Of Contents
Document View
Title Box
Total View
Web Sites
HARTING Home Page
HARKIS WWW
Check HARKIS Data
09140023025
1
Summary of content (1 pages)
PAGE 1